retour à
AS-Motor
>
AS Wildkraut-Hex
>
AS 50 B1/4T
>
Motor und Bürstenträger
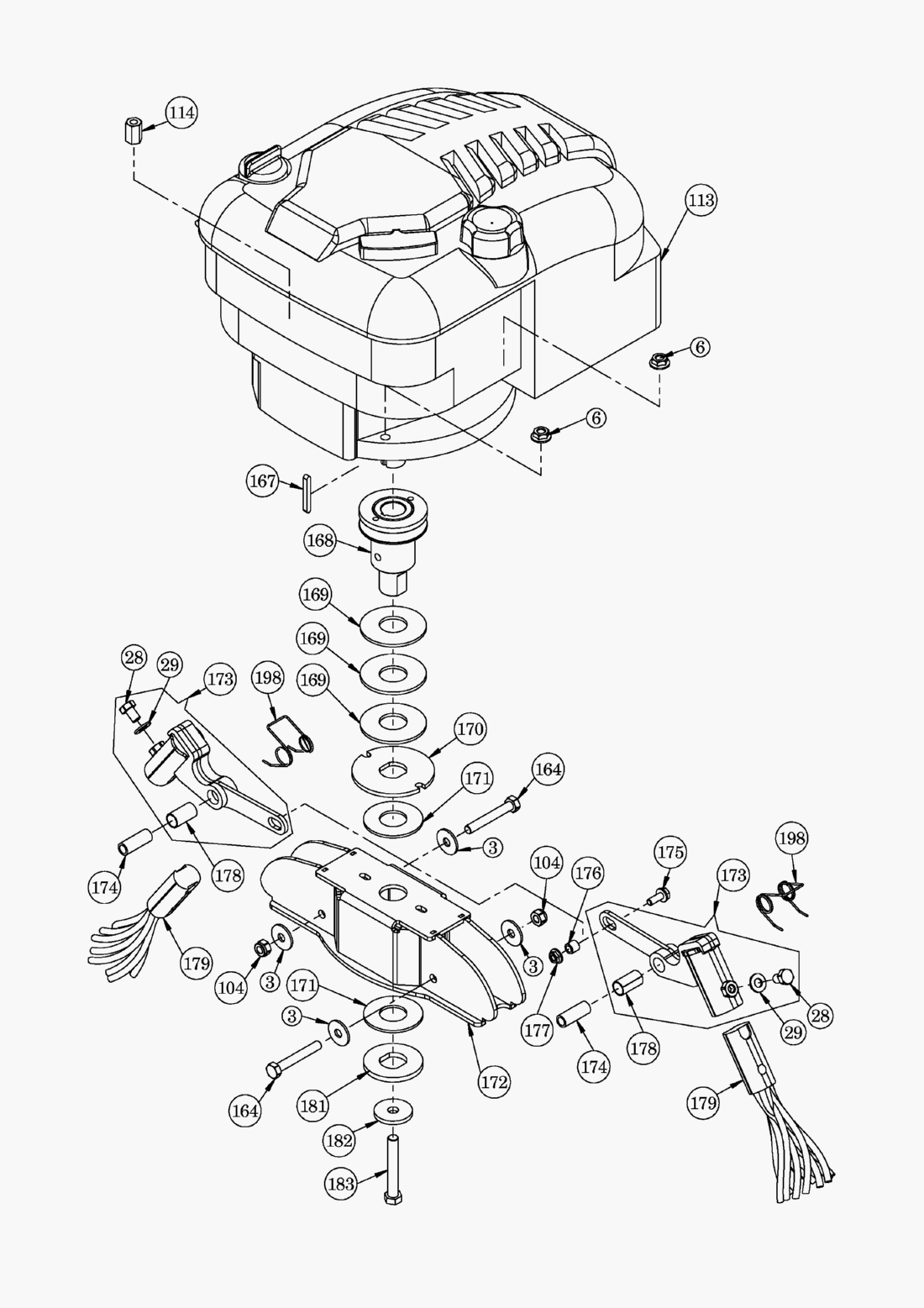
Listes de pièces de rechange pour AS Motor AS Wildkraut-Hex Motor und Bürstenträger
pos.
description
Numéro de référence
3
Scheibe
E03957
6
SICHERUNGSMUTTER
E06037
28
Sechskantschraube
E03714
29
SCHEIBE
E01905
104
SECHSKANTMUTTER
E01912
113
Motor B&S INTEK (ohne Abtrieb)
E06858
114
Verbindungsmutter
E10018
164
Sechskantschraube
E03777
167
PAßFEDER F.B&S INTEK
E06852
168
Trägernabe mit Riemenscheibe
E08890
169
TELLERFEDER
E05365
170
Druckplatte oben
E10122
171
Gleitscheibe
E10016
172
Bürstenträger
E08891
173
Bürstenhalter vollst.
E08894
174
Distanzhülse 31,8lg.
E10180
175
Flanschschraube
E10189
176
DISTANZHÜLSE
E03699
177
Flanschmutter
E10188
178
DU-Buchse
E06364
179
Bürste für Wildkraut-Hex
E09751
181
Scheibe für Bürstenträger
E10077
182
Scheibe
E08893
183
Sechskant-Zollschraube
E06883
198
Schenkelfeder
E10192
AS Motor
AS Batterierasenmäher
AS 45 Ausputzmäher
AS 46 Variomat
AS 45 Universal
AS 53 Standard
AS 53 Allrad
AS 55 Heckauswurf
AS 550 Heckauswurf
AS Allmäher
AS Enduro
AS Schlegelmäher
AS Mulchmeister
AS Aufsitzmäher
Samix Gartenhäcksler
AS Wildkraut-Hex
AS 50 B1/4T
Antrieb
Holm und Lenker
Höhenverstellung
Schutzeinrichtungen und Fangbox
Motor und Bürstenträger
Verschleissteile
Conditions générales de vente
(C) by motoruf