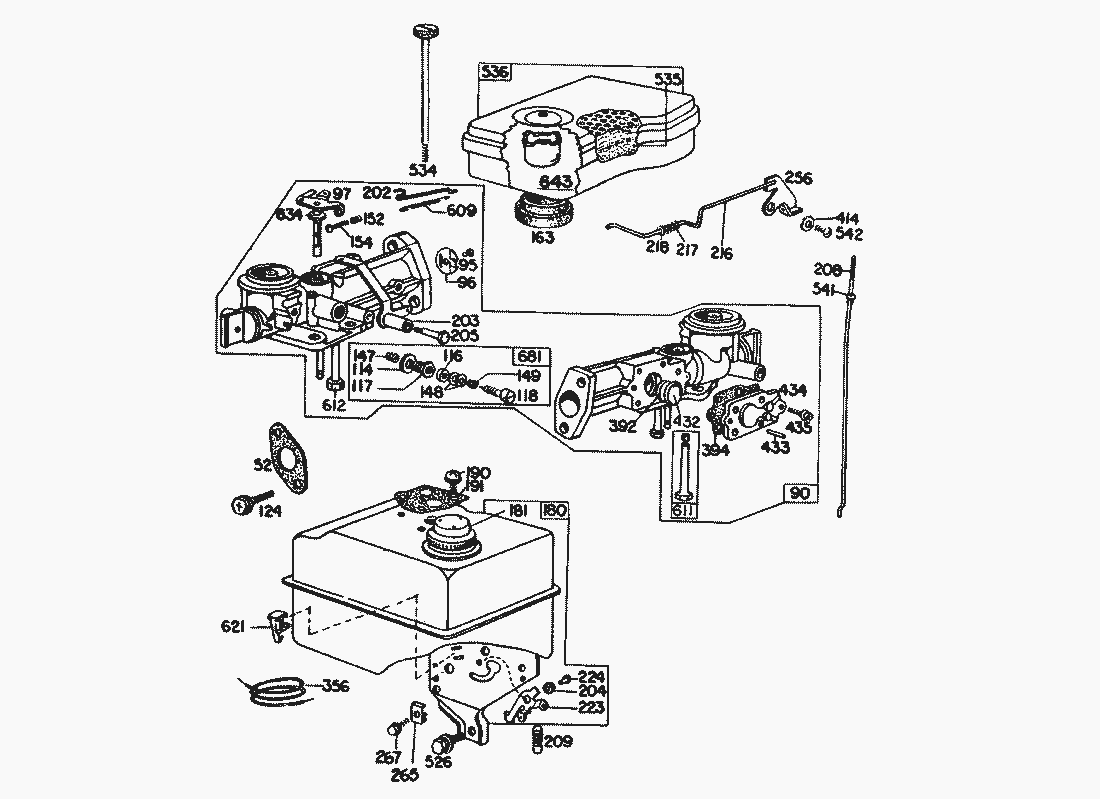
| pos. | description | Numéro de référence | |
| 52 | Gasket, Carburetor Mtg. | *27355 |
| 90 | Carburetor Assy. | 299576 |
| 95 | Screw-Throttle and Choke Valve Mounting Sem | 93499 |
| 96 | Throttle, Carburetor | 211203 |
| 97 | Shaft and Lever, Throttle | 299212 |
| 114 | Gasket, Needle Valve Nut | 66594 |
| 116 | Packing, Needle Valve | 65978 |
| 117 | Nut, Needle Valve | 230590 |
| 118 | Valve, Needle | 23433 |
| 124 | Screw, Hex. Head | 93357 |
| 147 | Seat, Needle Valve | 230591 |
| 148 | Washer, Needle Valve | 22235 |
| 149 | Spring, Needle Valve | 26336 |
| 152 | Spring, Throttle Adjustment | 260575 |
| 154 | Screw, Machine, Rd. Hd. | 92634 |
| 163 | Gasket-Air Cleaner Mounting | 27660 |
| 180 | Tank Assembly, Fuel | 297600 |
| 181 | Cap-Fuel Tank | 297863 |
| 190 | Screw, Fuel Tank Mtg. Sem | 93341 |
| 191 | Gasket, Fuel Tank Mtg. | *27911 |
| 202 | Link, Throttle | 260678 |
| 203 | Crank, Bell | 297718 |
| 204 | Bushing, Governor Lever | 230844 |
| 205 | Screw-Shoulder | 93838 |
| 208 | Rod, Control | 230737 |
| 209 | Spring, Governor | 260695 |
| 216 | Link, Choke | 299859 |
| 217 | Spring, Choke Link | 260189 |
| 218 | Washer, Choke Link | 221198 |
| 223 | Lever, Governor Control | 221517 |
| 224 | Rivet, Governor Control, Lever Mtg. | 93491 |
| 256 | Link, Choke | 299859 |
| 265 | Clamp, Casing | 221535 |
| 267 | Screw, Sem | 93496 |
| 356 | Wire, Ground | 295413 |
| 392 | Spring, Fuel Pump Diaphragm | 260455 |
| 394 | Diaphragm | 270026 |
| 414 | Washer | 220982 |
| 432 | Cap, Spring | 221377 |
| 433 | Pin, Diaphragm Cover | 93265 |
| 434 | Cover, Diaphragm | 210959 |
| 435 | Screw, Diaphragm Cover | 93141 |
| 526 | Screw, Tank Bracket Mtg. Sem | 93343 |
| 534 | Screw, Air Cleaner | 93322 |
| 535 | Element, Air Cleaner | 27987 |
| 536 | Cleaner Assembly, Air | 297036 |
| 541 | Washer | 22398 |
| 542 | Screw | 92265 |
| 609 | Spring, Throttle Link | 260694 |
| 611 | Fuel Pipe & Clip Assy. | 391813 |
| 612 | Pipe, Fuel | 296811 |
| 621 | Switch, Stop | 297472 |
| 634 | Washer, Throttle Shaft (Felt) | 270167 |
| 643 | Cup-Air Cleaner | 221321 |
| 681 | Needle Valve Kit | 299060 |