| pos. | description | Numéro de référence | |
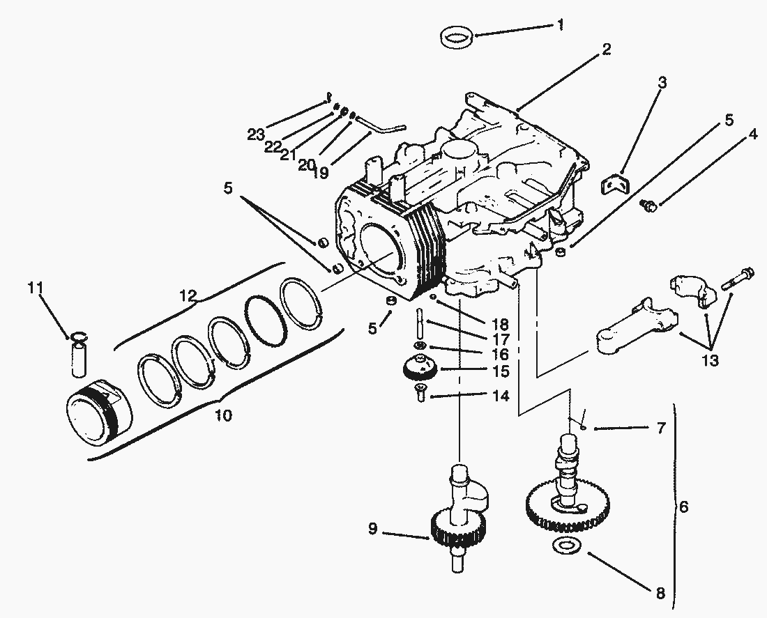
| 1 | Seal-Crankshaft (Only On: 72042, 72063, 72062, 72043) | 12 032 03 |
| 2 | Block-Short (Only On: 72042,72063, 72062, 72043) | 12 522 01 |
| 3 | Strap-lifting (Only On: 72042, 72063, 72062, 72043) | 12 445 02 |
| 4 | Screw M8x1.25x22 (Only On: 72042, 72063, 72062, 72043) | M-0839025 |
| 5 | Dowel-Locating (Only On: 72042, 72063, 72062, 72043) | 12 380 03 |
| 6 | Kit-Camshaft INC 7-8 (Only On: 72042, 72063, 72062, 72043) | 12 755 49 |
| 7 | Spring-Actuating (Only On: 72042, 72063, 72062, 72043) | 12 089 18 |
| 8 | Shim-Camshaft A/R (Only On: 72042, 72063, 72062, 72043) | 12 422 07 |
| 8 | Shim-Camshaft A/R (Only On: 72042, 72063, 72062, 72043) | 12 422 08 |
| 8 | Shim-Camshaft A/R (Only On: 72042, 72063, 72062, 72043) | 12 422 09 |
| 8 | Shim-Camshaft A/R (Only On: 72042, 72063, 72062, 72043) | 12 422 10 |
| 8 | Shim-Camshaft A/R (Only On: 72042, 72063, 72062, 72043) | 12 422 11 |
| 8 | Shim-Camshaft A/R (Only On: 72042, 72063, 72062 72043) | 12 422 12 |
| 8 | Shim-Camshaft A/R (Only On: 72042, 72063, 72062, 72043) | 12 422 13 |
| 9 | Shaft-Balance (Only On: 72042, 72063, 72062, 72043) | 12 144 19 |
| 10 | Piston ASM STD INC 11-12 (Only On: 72042, 72063, 72062, 72043) | 12 874 01 |
| 10 | Piston ASM .25 INC 11-12 (Only On: 72042, 72063, 72062, 72043) | 12 874 02 |
| 10 | Piston ASM .50 INC 11-12 (Only On: 72042, 72063, 72062, 72043) | 12 874 03 |
| 11 | Retainer-Piston Pin (Only On: 72043, 72042, 72063, 72062) | 12 018 02 |
| 12 | Ring Set STD (Only On: 72042, 72063, 72062, 72043) | 12 108 01 |
| 12 | Ring Set .25 (Only On: 72043, 72042, 72063, 72062) | 12 108 02 |
| 12 | Ring Set .50 (Only On: 72042, 72063, 72062, 72043) | 12 108 03 |
| 13 | Connecting Rod STD (Only On: 72042, 72063, 72062, 72043) | 12 067 01 |
| 13 | Connecting Rod .25 (Only On: 72042, 72063, 72062, 72043) | 12 067 02 |
| 14 | Pin-Governor Regulating (Only On: 72042, 72063, 72062, 72043) | 12 380 01 |
| 15 | Gear-Governor ASM (Only On: 72042, 72063, 72062, 72043) | 12 043 05 |
| 16 | Washer-Governor | Sm-0631005 |
| 17 | Shaft-Governor Gear (Only On: 72042, 72063, 72062, 72043) | 12 144 02 |
| 18 | Plug-Cup (Only On: 72042, 72063, 72062, 72043) | 52 139 09 |
| 19 | Shaft-Governor Cross (Only On: 72042, 72063, 72062, 72043) | 12 144 01 |
| 20 | Washer-Governor Shaft | Sm-0631015 |
| 21 | Seal-Governor Shaft (Only On: 72042, 72063, 72062, 72043) | 12 032 01 |
| 22 | Washer-Plain | X-25-102 |
| 23 | Pin-Governor Hitch (Only On: 72042, 72063, 72062, 72043) | 12 380 04 |
| Gasket Set (Only On: 72042, 72063, 72062, 72043) | 12 722 01 |