retour à
>
Roth / TORO
>
Hand operated
>
Lawnmower
>
2-stroke SP
>
295/26643 B
>
6900001
>
Ignition Assy.
Listes de pièces de rechange pour Toro Roth / TORO Ignition Assy.
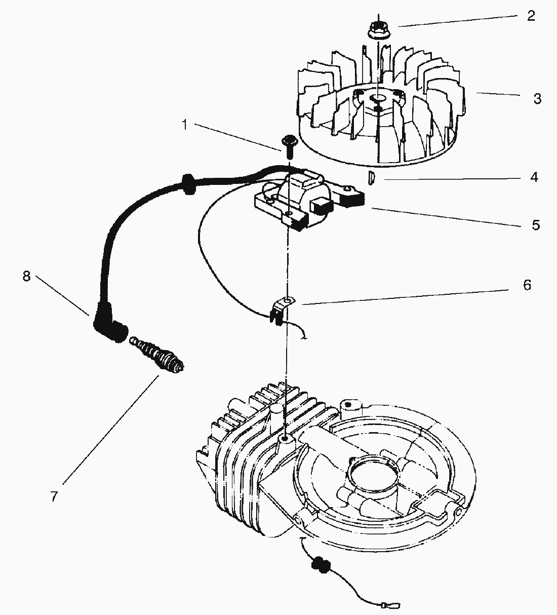
pos.
description
Numéro de référence
1
SCHRAUBE
81-5680
2
MUTTER
81-1330
3
SCHWUNGSCHEIBE
81-2810
4
KEIL
81-2370
5
ZUENDSPULE
81-2820
6
KLEMME
81-1480
7
ZUENDKERZE
81-0181
8
ZUENDKERZENSTECKER
81-1500
SCHWUNGRADABZIEHER TORO
41-7650
Toro
Roth / TORO
Ride-On Mowers
Hand operated
Sweeper
Snowthrower
Vac/Blower
Lawnmower
Grass Baggers
4-stroke SP
4-stroke
2-stroke SP
295/26643
295/26643 B
6900001
Muffler Assy.
Carburetor Assy.
Governor Assy.
Recoil Assy.
Ignition Assy.
ShortBlock Assy.
Bag Assy.
Traction Control Assy.
Handle Assy.
Gearbox Assy. (Cont.)
Gearbox Assy.
Brake Assy.
Engine Assy.
Housing Assy.
295/26640 BC
295/26640 B
287/20916B
277
255/22700 BC
255/22700
239
237/22045
237/22045 B
237/22044 BC
237/22036
237/22035
234
224
222/16212 WG
2-stroke
Electric
Battery
Robin
Conditions générales de vente
(C) by motoruf