retour à
>
Roth / TORO
>
Ride-On Mowers
>
Rider
>
110-4E
>
300/R3-10B404
>
39000001
>
Transmission Assy.
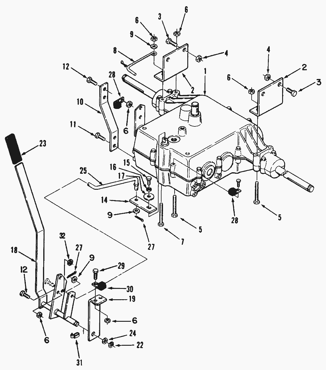
Listes de pièces de rechange pour Toro Roth / TORO Transmission Assy.
pos.
description
Numéro de référence
1
Transmission Peerless (930-018) 110-4
78-5770
Transmission Peerless (930-019) 112-6
78-5760
2
Bracket-Rear Axle
110326
3
Bolt
913183
4
Locknut
3296-39
5
Screw-Cap Hex. Hd.
322-12
6
MUTTER
3296-29
7
Screw-Hex. Flange Hd.
322-13
8
Rod-Brake Stop
110848
9
Washer
3256-23
10
Strap-Torque
112138
11
Bolt-Swage Form Hex
926496
12
Capscrew
322-3
14
Lever-Lower Shift
110330
15
Screw-Cap Hex. Hd.
329-5
16
Lockwasher
3253-3
17
Special Washer
104869
18
Lever-Shift
111109
19
Support-Shift
111106
22
Ring-External Retaining
32120-47
23
Grip
102597
24
Washer-Special
920259
25
Rod-Lower Shift
112128
27
Cotter Pin
3272-6
28
Clip-J
111357
29
Bolt
913160
30
Clip-J
111392
31
Clip
519337
32
Washer-Lock ITLW
32542
Toro
Roth / TORO
Ride-On Mowers
Traktor
Rider
HMR 1600
12-32 E
12-32
11-32
10-32 E
8-25
110-4E
300/R3-10B404
39000001
B&S Model 286707-0118-01
B&S Model 2867707-0118-01
Starter B&S 286707-0118-01
Starter B&S 257707-0127-01
B&S Model 257707-0127-01
Spindle, Pulleys & Drive Belt Assy.
Mower Deck & Front Mount
Seat & Suspension Assy.
Decals & Misc.
PTO Clutch, Pulleys & Control Assy.
Wheel & Tire Assy.
Drive Belt & Pulley Assy.
Electrical Assy.
Engine Assy.
Fuel Assy.
Sheet Metal Assy.
Clutch & Brake Linkage Assy.
Front Axle & Steering Assy.
Frame Assy.
Transmission Assy.
2000001
110-4
Mower decks
Attachements
Hand operated
Robin
Conditions générales de vente
(C) by motoruf