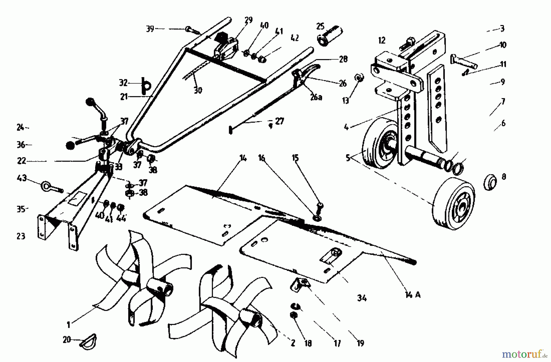
Golf 160 MS 4 07514.02 (1993) Fourchons, Brancard Pièces détachées
VIS
Numéro d'article:
21.1441.69
Pos.:
15
DINNORM:
M8X18 ZN5GL CB (710-1395)8.8
Modell Année:
160 MS 4 / 1993
N'est plus disponible à la livraison.

Vous trouverez ici le dessin de la pièce de rechange pour Golf Motobineuse 160 MS 4 07514.02 (1993) Fourchons, Brancard. Sélectionnez la pièce de rechange requise dans la liste des pièces de rechange de votre appareil Golf Motobineuse 160 MS 4 07514.02 (1993) Fourchons, Brancard et commandez simplement en ligne. De nombreuses pièces de rechange Golf nous gardons en permanence dans notre entrepôt pour vous.



