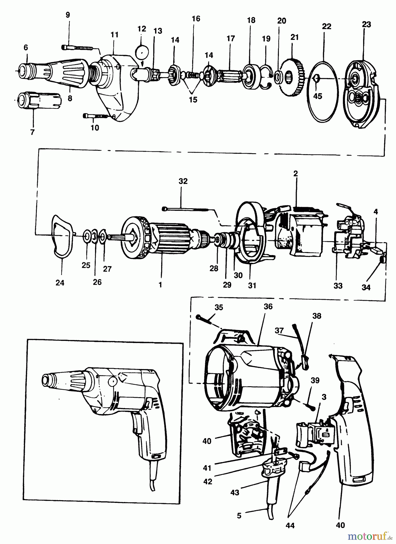
ELU SCREWDRIVERS, RATCHETS & WRENCHES VISSEUSE ESD701 Pièces détachées
VIS
Note: Cet article est 4 fois installés dans l'appareil, le prix est par pièce!
Numéro d'article:
SB-930079-01
Pos.:
35
N'est plus disponible à la livraison.

Vous trouverez ici le dessin de la pièce de rechange pour ELU DRILLING/DRIVING SCREWDRIVERS, RATCHETS & WRENCHES VISSEUSE ESD701 Seite 1. Sélectionnez la pièce de rechange requise dans la liste des pièces de rechange de votre appareil ELU DRILLING/DRIVING SCREWDRIVERS, RATCHETS & WRENCHES VISSEUSE ESD701 Seite 1 et commandez simplement en ligne. De nombreuses pièces de rechange ELU nous gardons en permanence dans notre entrepôt pour vous.


Gestion de qualité
Aidez-nous à améliorer cette page. Informez-nous de toute erreur que vous trouverez.

