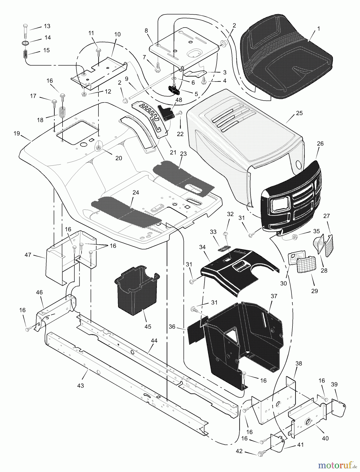
Murray 38560x181B - B&S/ 38" Lawn Tractor (2001) (Canada Power Tech Ltd) Chassis & Hood Pièces détachées
BATTERY CONTAINER
Numéro d'article:
BS690424MA
Pos.:
45
64.48 €
Y compris la TVA dans UE, + frais d'envoi.
L'article a été placé dans le panier.
Sera commandé pour vous: délai de livraison environ 5 jours ouvrables.
Vous trouverez ici le dessin de la pièce de rechange pour Murray Rasen- und Gartentraktoren 38560x181B - B&S/Murray 38" Lawn Tractor (2001) (Canada Power Tech Ltd) Chassis & Hood. Sélectionnez la pièce de rechange requise dans la liste des pièces de rechange de votre appareil Murray Rasen- und Gartentraktoren 38560x181B - B&S/Murray 38" Lawn Tractor (2001) (Canada Power Tech Ltd) Chassis & Hood et commandez simplement en ligne. De nombreuses pièces de rechange Murray nous gardons en permanence dans notre entrepôt pour vous.


Gestion de qualité
Aidez-nous à améliorer cette page. Informez-nous de toute erreur que vous trouverez.


