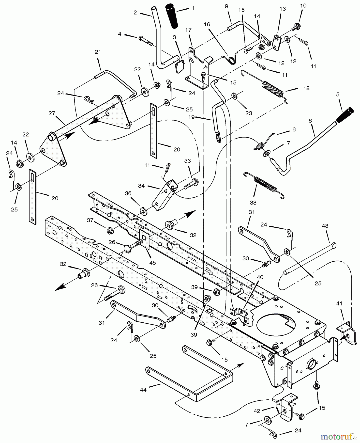
Murray 405015x92A - B&S/ 40" Lawn Tractor (2002) (Walmart) Mower Housing Suspension Pièces détachées
ZUGFEDER LIFT - LT
Numéro d'article:
BS165X131MA
Pos.:
38
26.10 €
Y compris la TVA dans UE, + frais d'envoi.
L'article a été placé dans le panier.
Sera commandé pour vous: délai de livraison environ 5 jours ouvrables.
Vous trouverez ici le dessin de la pièce de rechange pour Murray Rasen- und Gartentraktoren 405015x92A - B&S/Murray 40" Lawn Tractor (2002) (Walmart) Mower Housing Suspension. Sélectionnez la pièce de rechange requise dans la liste des pièces de rechange de votre appareil Murray Rasen- und Gartentraktoren 405015x92A - B&S/Murray 40" Lawn Tractor (2002) (Walmart) Mower Housing Suspension et commandez simplement en ligne. De nombreuses pièces de rechange Murray nous gardons en permanence dans notre entrepôt pour vous.


Gestion de qualité
Aidez-nous à améliorer cette page. Informez-nous de toute erreur que vous trouverez.

