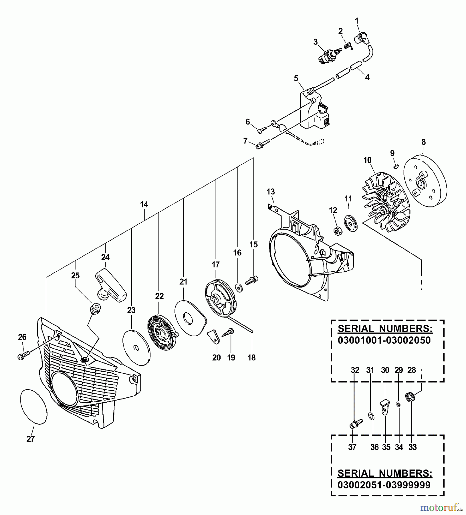
Echo CSG-680 - Cut-Off Saw, S/N: 03001001 - 03999999 Ignition, Starter Pièces détachées
Ignition, Starter CSG-680 - Echo Cut-Off Saw, S/N: 03001001 - 03999999

Vous trouverez ici le dessin de la pièce de rechange pour Echo Trennsägen CSG-680 - Echo Cut-Off Saw, S/N: 03001001 - 03999999 Ignition, Starter. Sélectionnez la pièce de rechange requise dans la liste des pièces de rechange de votre appareil Echo Trennsägen CSG-680 - Echo Cut-Off Saw, S/N: 03001001 - 03999999 Ignition, Starter et commandez simplement en ligne. De nombreuses pièces de rechange Echo nous gardons en permanence dans notre entrepôt pour vous.




