Murray 40541F - 40" Lawn Tractor (2002) Mower Housing Pièces détachées
Mower Housing 40541F - Murray 40" Lawn Tractor (2002)

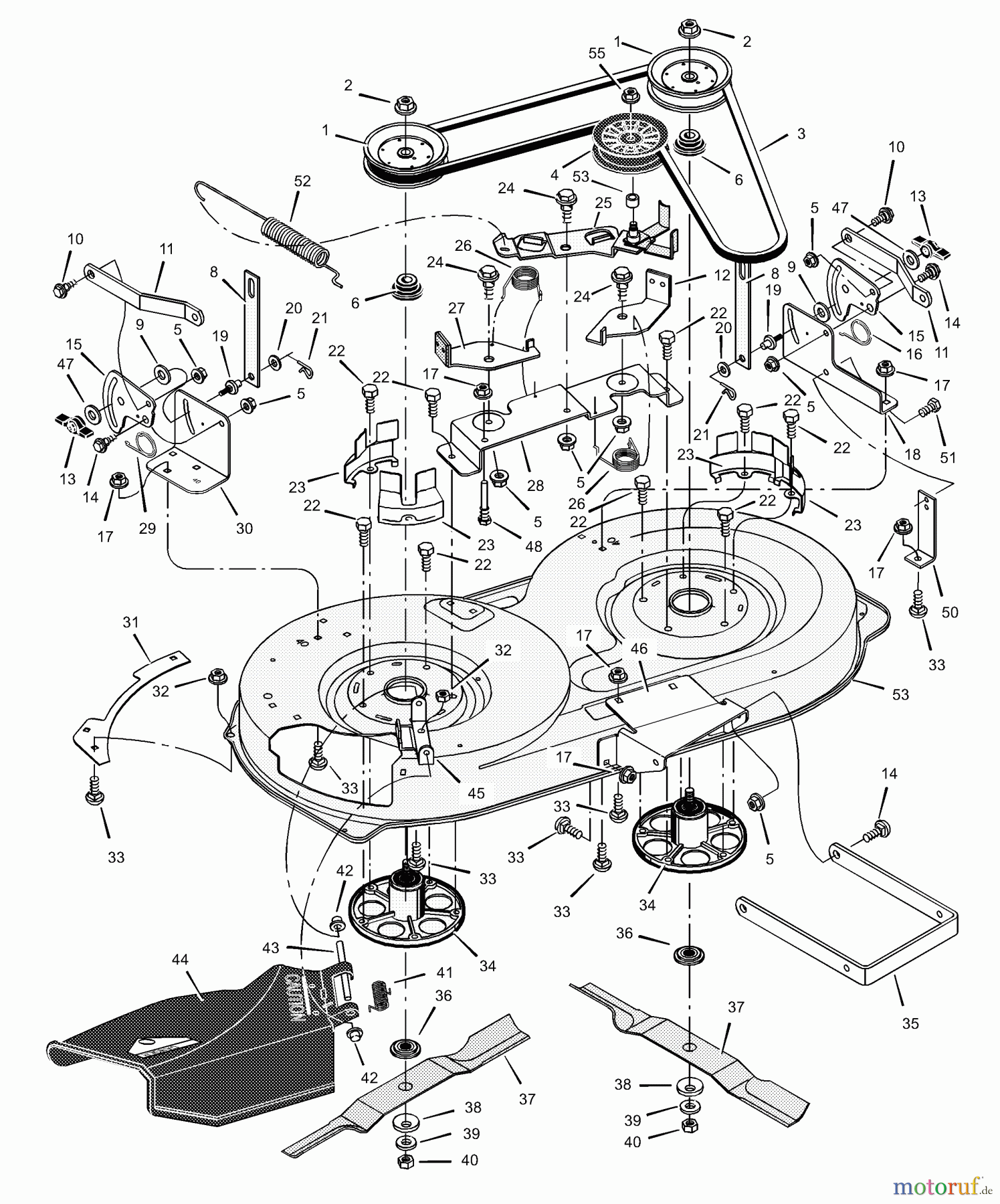
Vous trouverez ici le dessin de la pièce de rechange pour Murray Rasen- und Gartentraktoren 40541F - Murray 40" Lawn Tractor (2002) Mower Housing. Sélectionnez la pièce de rechange requise dans la liste des pièces de rechange de votre appareil Murray Rasen- und Gartentraktoren 40541F - Murray 40" Lawn Tractor (2002) Mower Housing et commandez simplement en ligne. De nombreuses pièces de rechange Murray nous gardons en permanence dans notre entrepôt pour vous.









