Murray 42560x83A - B&S/ 42" Lawn Tractor (1997) (Walmart) Motion Drive Pièces détachées
Motion Drive 42560x83A - B&S/Murray 42" Lawn Tractor (1997) (Walmart)

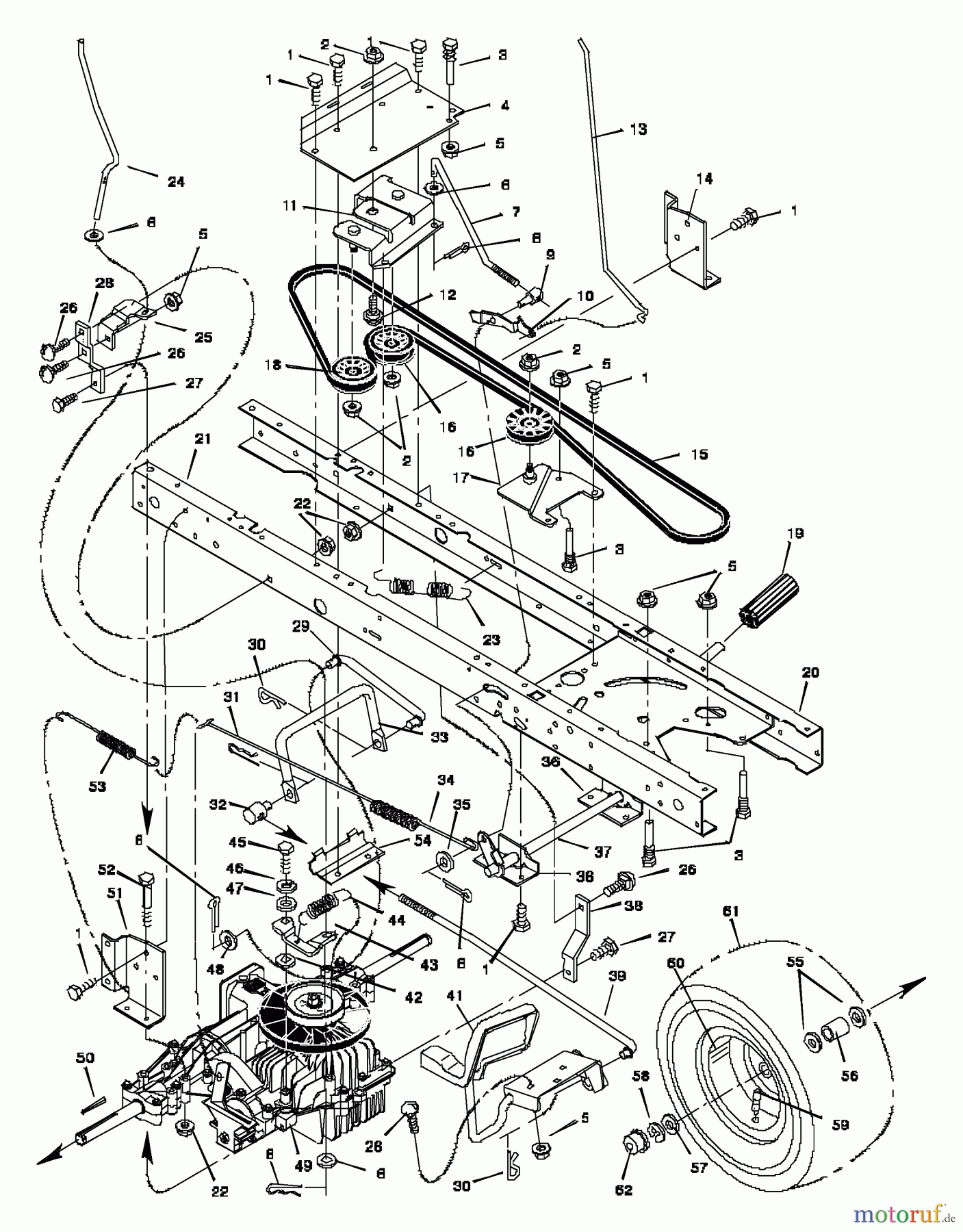
Vous trouverez ici le dessin de la pièce de rechange pour Murray Rasen- und Gartentraktoren 42560x83A - B&S/Murray 42" Lawn Tractor (1997) (Walmart) Motion Drive. Sélectionnez la pièce de rechange requise dans la liste des pièces de rechange de votre appareil Murray Rasen- und Gartentraktoren 42560x83A - B&S/Murray 42" Lawn Tractor (1997) (Walmart) Motion Drive et commandez simplement en ligne. De nombreuses pièces de rechange Murray nous gardons en permanence dans notre entrepôt pour vous.


Gestion de qualité
Aidez-nous à améliorer cette page. Informez-nous de toute erreur que vous trouverez.






