Murray 425613x8A - Scotts 42" Lawn Tractor (2002) (Home Depot) Steering Pièces détachées
Steering 425613x8A - Scotts 42" Lawn Tractor (2002) (Home Depot)

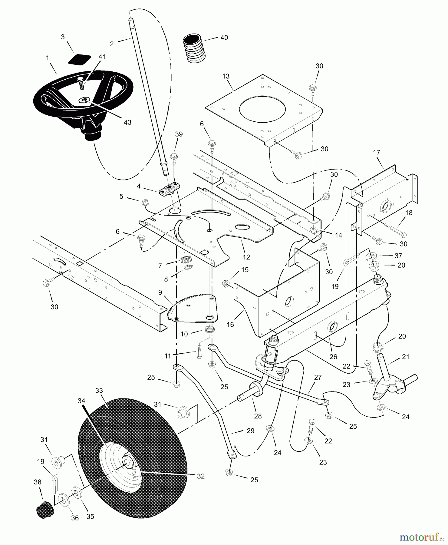
Vous trouverez ici le dessin de la pièce de rechange pour Murray Rasen- und Gartentraktoren 425613x8A - Scotts 42" Lawn Tractor (2002) (Home Depot) Steering. Sélectionnez la pièce de rechange requise dans la liste des pièces de rechange de votre appareil Murray Rasen- und Gartentraktoren 425613x8A - Scotts 42" Lawn Tractor (2002) (Home Depot) Steering et commandez simplement en ligne. De nombreuses pièces de rechange Murray nous gardons en permanence dans notre entrepôt pour vous.


Gestion de qualité
Aidez-nous à améliorer cette page. Informez-nous de toute erreur que vous trouverez.



