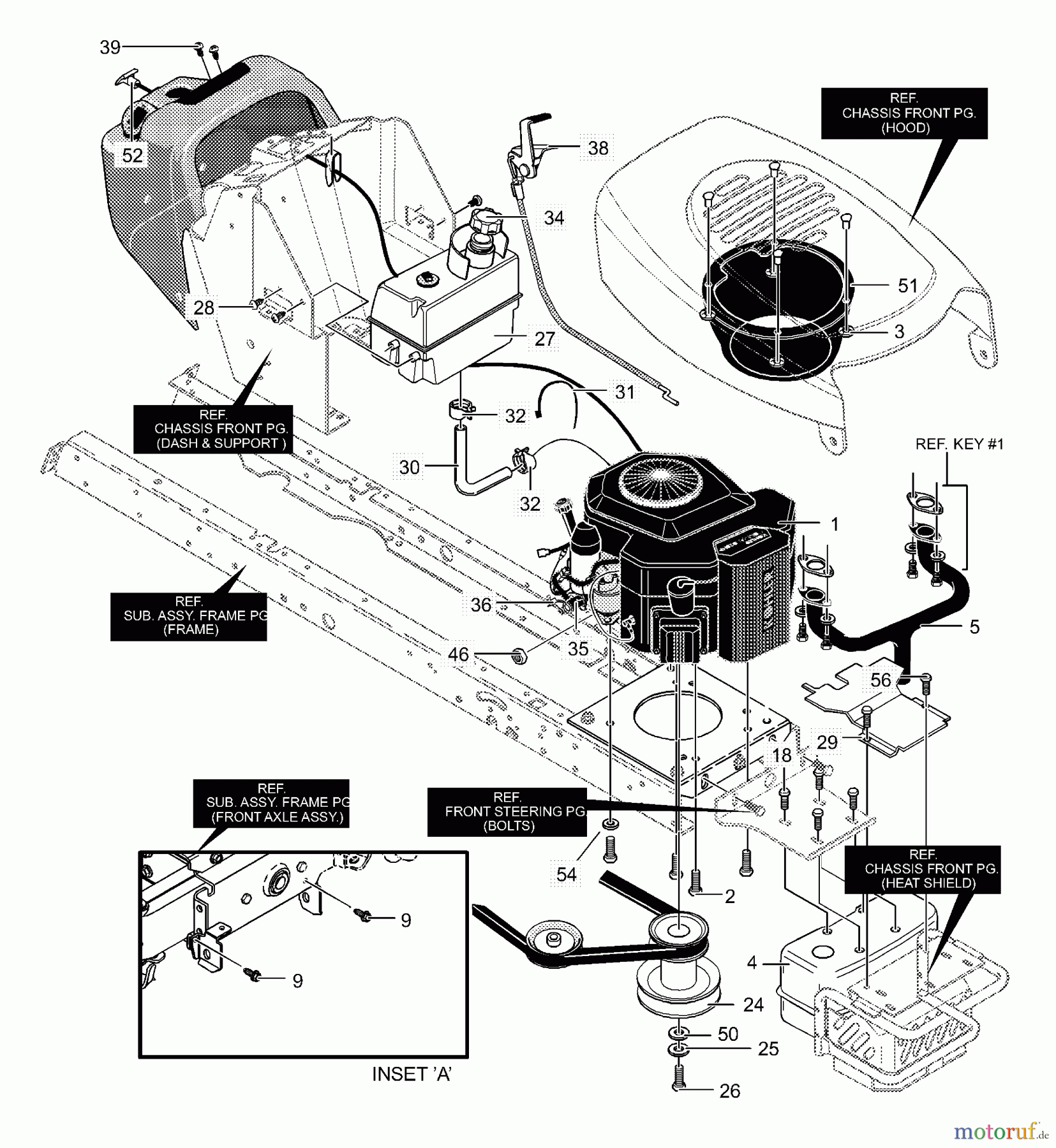
Murray 46580x89A - Yard King Performance 46" Lawn Tractor (2000) Engine And Control Assembly Pièces détachées
Engine And Control Assembly 46580x89A - Yard King Performance 46" Lawn Tractor (2000)

Vous trouverez ici le dessin de la pièce de rechange pour Murray Rasen- und Gartentraktoren 46580x89A - Yard King Performance 46" Lawn Tractor (2000) Engine And Control Assembly. Sélectionnez la pièce de rechange requise dans la liste des pièces de rechange de votre appareil Murray Rasen- und Gartentraktoren 46580x89A - Yard King Performance 46" Lawn Tractor (2000) Engine And Control Assembly et commandez simplement en ligne. De nombreuses pièces de rechange Murray nous gardons en permanence dans notre entrepôt pour vous.



