Snapper ZF2501KH (84574) - 25 HP Zero-Turn Mower, Out Front, Z-Rider Series 1 Wiring Schematic Pièces détachées
Wiring Schematic ZF2501KH (84574) - Snapper 25 HP Zero-Turn Mower, Out Front, Z-Rider Series 1

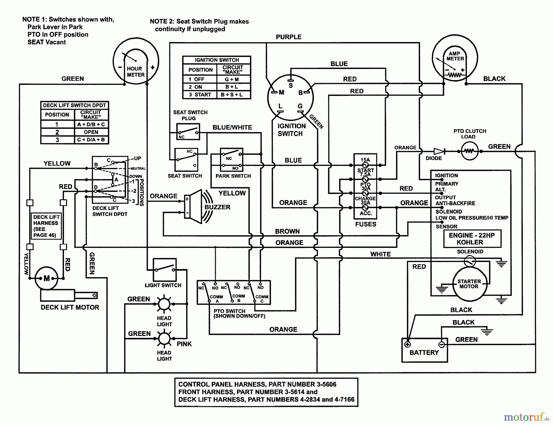
Vous trouverez ici le dessin de la pièce de rechange pour Snapper Nullwendekreismäher, Zero-Turn ZF2501KH (84574) - Snapper 25 HP Zero-Turn Mower, Out Front, Z-Rider Series 1 Wiring Schematic. Sélectionnez la pièce de rechange requise dans la liste des pièces de rechange de votre appareil Snapper Nullwendekreismäher, Zero-Turn ZF2501KH (84574) - Snapper 25 HP Zero-Turn Mower, Out Front, Z-Rider Series 1 Wiring Schematic et commandez simplement en ligne. De nombreuses pièces de rechange Snapper nous gardons en permanence dans notre entrepôt pour vous.
| Pos. | Numéro d'article | Description | |
| 35606 | BS7035606YP | (C) HARNESS, CONTROL | |
| 35614 | BS7035614 | ||
| 42834 | BS7042834YP | (C) HARNESS, DECK LIF | |
| 47166 | BS7047166YP | (C) WIRE HARNESS, DEC | |


Gestion de qualité
Aidez-nous à améliorer cette page. Informez-nous de toute erreur que vous trouverez.

