Echo SRM-3000 - String Trimmer, S/N:043226 - 999999 Engine, Crankcase, Fan Housing, Cover Pièces détachées
Engine, Crankcase, Fan Housing, Cover SRM-3000 - Echo String Trimmer, S/N:043226 - 999999

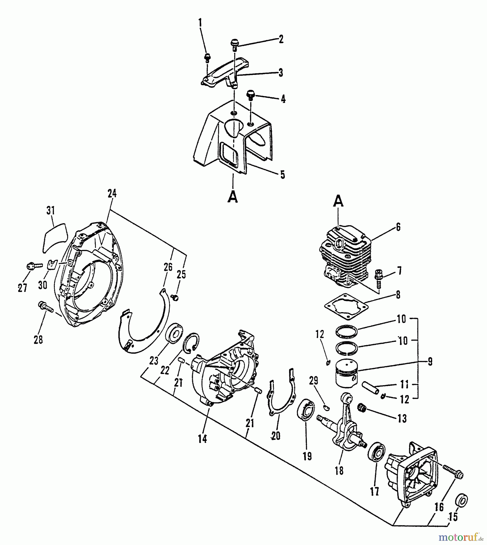
Vous trouverez ici le dessin de la pièce de rechange pour Echo Trimmer, Faden / Bürste SRM-3000 - Echo String Trimmer, S/N:043226 - 999999 Engine, Crankcase, Fan Housing, Cover. Sélectionnez la pièce de rechange requise dans la liste des pièces de rechange de votre appareil Echo Trimmer, Faden / Bürste SRM-3000 - Echo String Trimmer, S/N:043226 - 999999 Engine, Crankcase, Fan Housing, Cover et commandez simplement en ligne. De nombreuses pièces de rechange Echo nous gardons en permanence dans notre entrepôt pour vous.


Gestion de qualité
Aidez-nous à améliorer cette page. Informez-nous de toute erreur que vous trouverez.

