Snapper C3317523BVE (7800368) - 33" Rear-Engine Rider, 17.5 HP, Series 23, California ELECTRICAL SYSTEMS (For 17.5 HP Briggs) Pièces détachées
ELECTRICAL SYSTEMS (For 17.5 HP Briggs) C3317523BVE (7800368) - Snapper 33" Rear-Engine Rider, 17.5 HP, Series 23, California

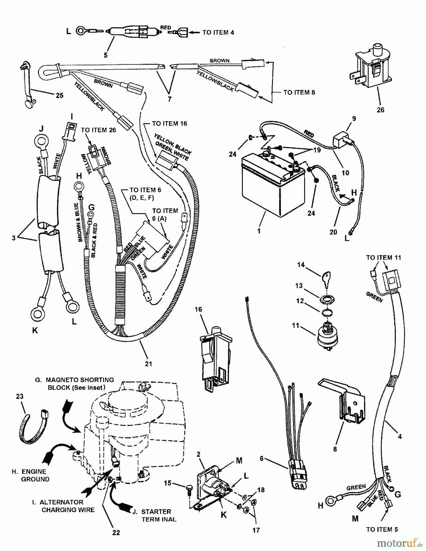
Vous trouverez ici le dessin de la pièce de rechange pour Snapper Reitermäher C3317523BVE (7800368) - Snapper 33" Rear-Engine Rider, 17.5 HP, Series 23, California ELECTRICAL SYSTEMS (For 17.5 HP Briggs). Sélectionnez la pièce de rechange requise dans la liste des pièces de rechange de votre appareil Snapper Reitermäher C3317523BVE (7800368) - Snapper 33" Rear-Engine Rider, 17.5 HP, Series 23, California ELECTRICAL SYSTEMS (For 17.5 HP Briggs) et commandez simplement en ligne. De nombreuses pièces de rechange Snapper nous gardons en permanence dans notre entrepôt pour vous.


Gestion de qualité
Aidez-nous à améliorer cette page. Informez-nous de toute erreur que vous trouverez.


