Snapper 400ZB2748 (5900528) - 48" Zero-Turn Mower, ZTR 400Z Series Wiring Schematic - 400Z Series S/N: 2016499706 & Below Pièces détachées
Wiring Schematic - 400Z Series S/N: 2016499706 & Below 400ZB2748 (5900528) - Snapper 48" Zero-Turn Mower, ZTR 400Z Series

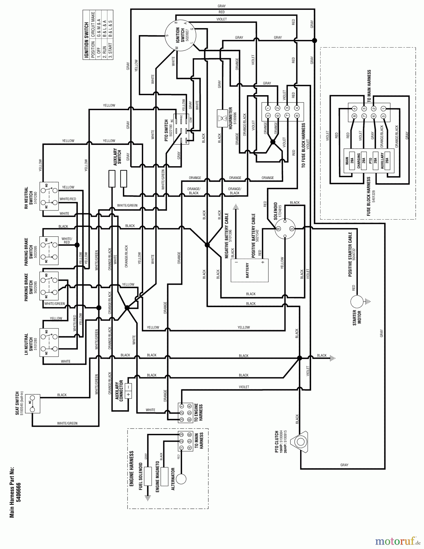
Vous trouverez ici le dessin de la pièce de rechange pour Snapper Nullwendekreismäher, Zero-Turn 400ZB2748 (5900528) - Snapper 48" Zero-Turn Mower, ZTR 400Z Series Wiring Schematic - 400Z Series S/N: 2016499706 & Below. Sélectionnez la pièce de rechange requise dans la liste des pièces de rechange de votre appareil Snapper Nullwendekreismäher, Zero-Turn 400ZB2748 (5900528) - Snapper 48" Zero-Turn Mower, ZTR 400Z Series Wiring Schematic - 400Z Series S/N: 2016499706 & Below et commandez simplement en ligne. De nombreuses pièces de rechange Snapper nous gardons en permanence dans notre entrepôt pour vous.
| Pos. | Numéro d'article | Description | |
| -- | BS5406666YP | WIRE HARNESS | |


Gestion de qualité
Aidez-nous à améliorer cette page. Informez-nous de toute erreur que vous trouverez.

