Dolmar TM-98.14 H2D TM-98.14 H2D (2009) 9 SCHNEIDWERKZEUG (2) Pièces détachées
9 SCHNEIDWERKZEUG (2) TM-98.14 H2D (2009)

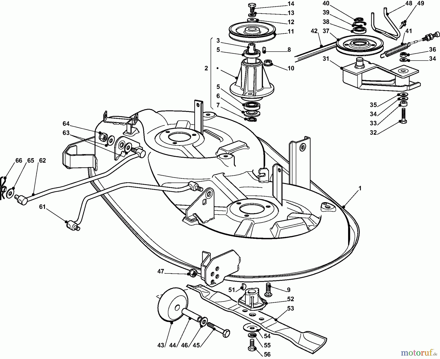
Vous trouverez ici le dessin de la pièce de rechange pour Dolmar Rasentraktoren TM-98.14 H2D TM-98.14 H2D (2009) 9 SCHNEIDWERKZEUG (2). Sélectionnez la pièce de rechange requise dans la liste des pièces de rechange de votre appareil Dolmar Rasentraktoren TM-98.14 H2D TM-98.14 H2D (2009) 9 SCHNEIDWERKZEUG (2) et commandez simplement en ligne. De nombreuses pièces de rechange Dolmar nous gardons en permanence dans notre entrepôt pour vous.


Gestion de qualité
Aidez-nous à améliorer cette page. Informez-nous de toute erreur que vous trouverez.




