Echo ES-210 - Shredder/Vacuum, S/N: 08001001 - 08999999 Engine, Short Block, Ignition Pièces détachées
Engine, Short Block, Ignition ES-210 - Echo Shredder/Vacuum, S/N: 08001001 - 08999999

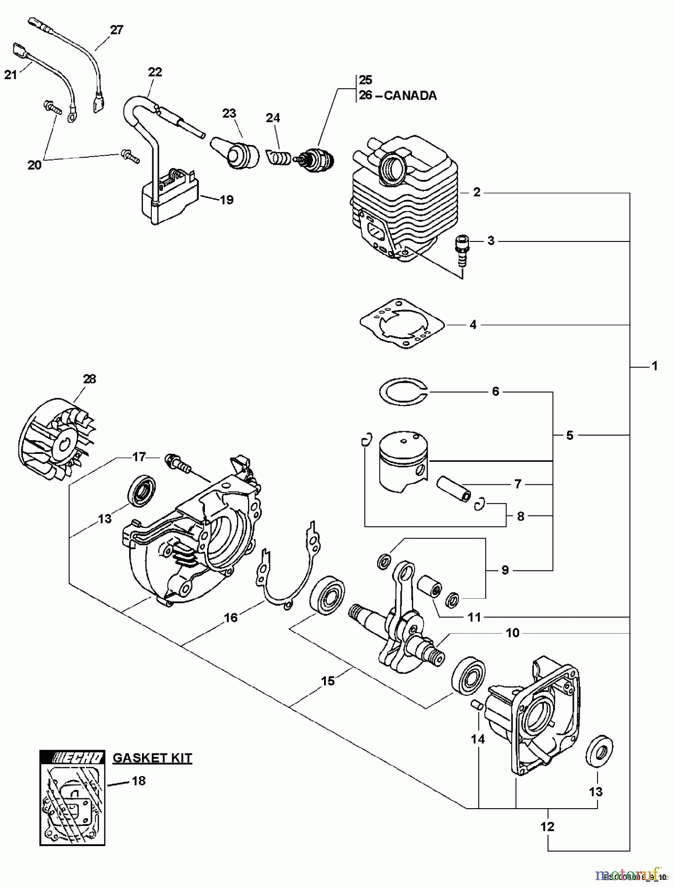
Vous trouverez ici le dessin de la pièce de rechange pour Echo Bläser / Sauger / Häcksler / Mulchgeräte ES-210 - Echo Shredder/Vacuum, S/N: 08001001 - 08999999 Engine, Short Block, Ignition. Sélectionnez la pièce de rechange requise dans la liste des pièces de rechange de votre appareil Echo Bläser / Sauger / Häcksler / Mulchgeräte ES-210 - Echo Shredder/Vacuum, S/N: 08001001 - 08999999 Engine, Short Block, Ignition et commandez simplement en ligne. De nombreuses pièces de rechange Echo nous gardons en permanence dans notre entrepôt pour vous.


Gestion de qualité
Aidez-nous à améliorer cette page. Informez-nous de toute erreur que vous trouverez.


