Echo PB-202 - Hand Held Blower, S/N: 0040502 - 9999999 Ignition Switch, Throttle Control S/N: 0005001 - 0020500 Pièces détachées
Ignition Switch, Throttle Control S/N: 0005001 - 0020500 PB-202 - Echo Hand Held Blower, S/N: 0040502 - 9999999

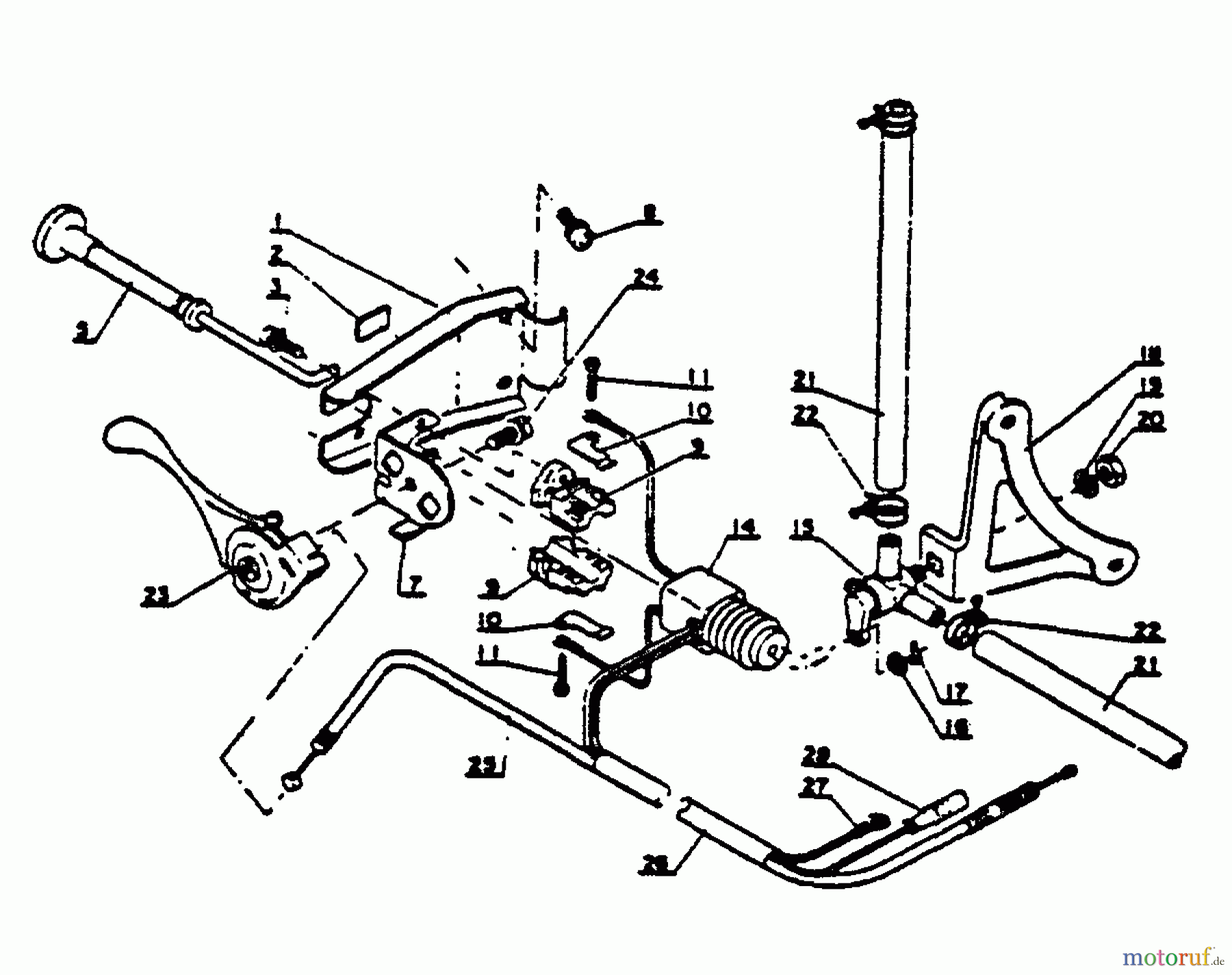
Vous trouverez ici le dessin de la pièce de rechange pour Echo Bläser / Sauger / Häcksler / Mulchgeräte PB-202 - Echo Hand Held Blower, S/N: 0040502 - 9999999 Ignition Switch, Throttle Control S/N: 0005001 - 0020500. Sélectionnez la pièce de rechange requise dans la liste des pièces de rechange de votre appareil Echo Bläser / Sauger / Häcksler / Mulchgeräte PB-202 - Echo Hand Held Blower, S/N: 0040502 - 9999999 Ignition Switch, Throttle Control S/N: 0005001 - 0020500 et commandez simplement en ligne. De nombreuses pièces de rechange Echo nous gardons en permanence dans notre entrepôt pour vous.


Gestion de qualité
Aidez-nous à améliorer cette page. Informez-nous de toute erreur que vous trouverez.

