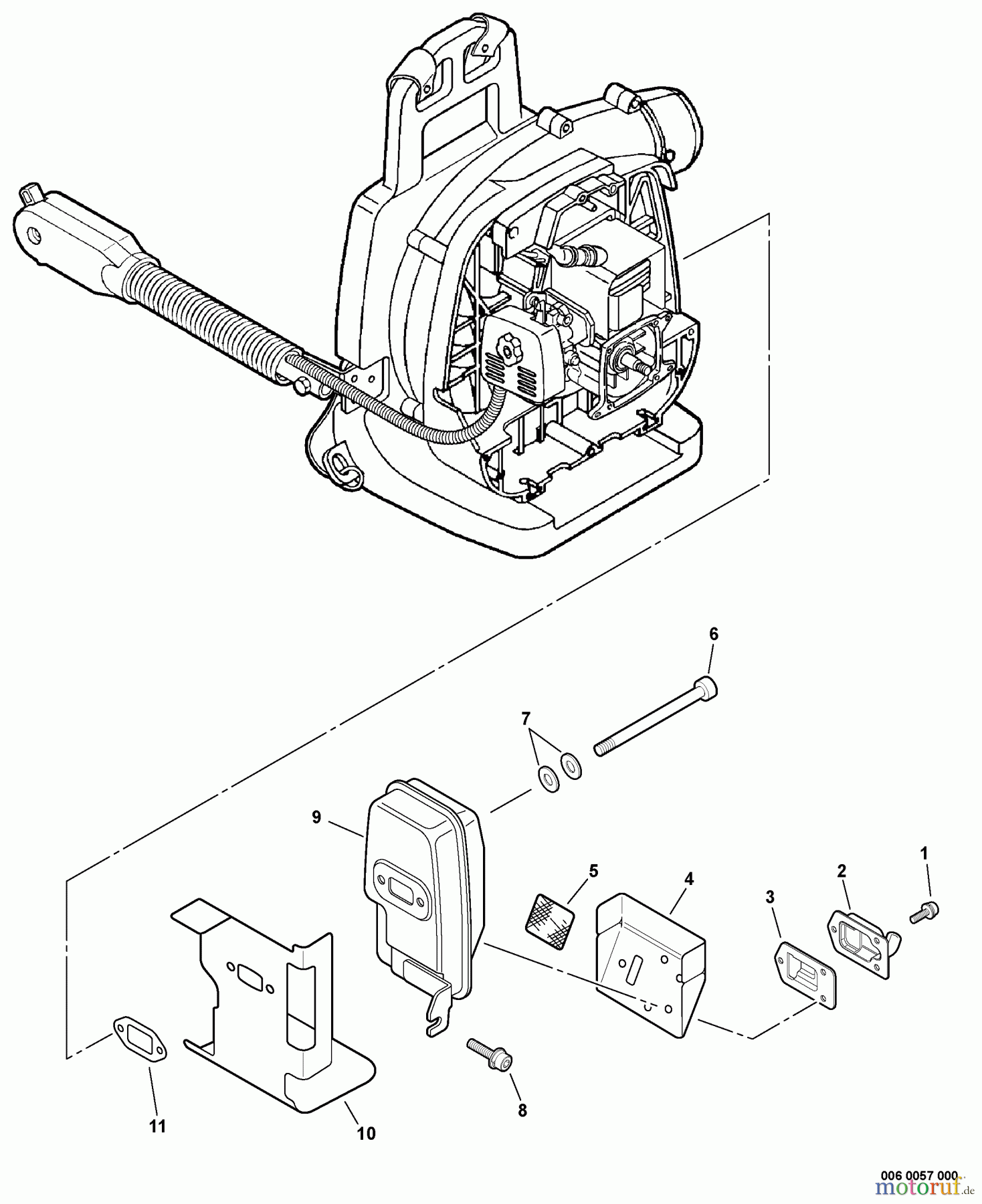
Echo PB-260L - Back Pack Blower, S/N: 04001001 - 04999999 Exhaust Pièces détachées
Exhaust PB-260L - Echo Back Pack Blower, S/N: 04001001 - 04999999

Vous trouverez ici le dessin de la pièce de rechange pour Echo Bläser / Sauger / Häcksler / Mulchgeräte PB-260L - Echo Back Pack Blower, S/N: 04001001 - 04999999 Exhaust. Sélectionnez la pièce de rechange requise dans la liste des pièces de rechange de votre appareil Echo Bläser / Sauger / Häcksler / Mulchgeräte PB-260L - Echo Back Pack Blower, S/N: 04001001 - 04999999 Exhaust et commandez simplement en ligne. De nombreuses pièces de rechange Echo nous gardons en permanence dans notre entrepôt pour vous.


Gestion de qualité
Aidez-nous à améliorer cette page. Informez-nous de toute erreur que vous trouverez.

