Echo PB-400E - Back Pack Blower, Type 1E S/N 001001 & Up Fan, Housings, Switch, Throttle (06/96) Pièces détachées
Fan, Housings, Switch, Throttle (06/96) PB-400E - Echo Back Pack Blower, Type 1E S/N 001001 & Up

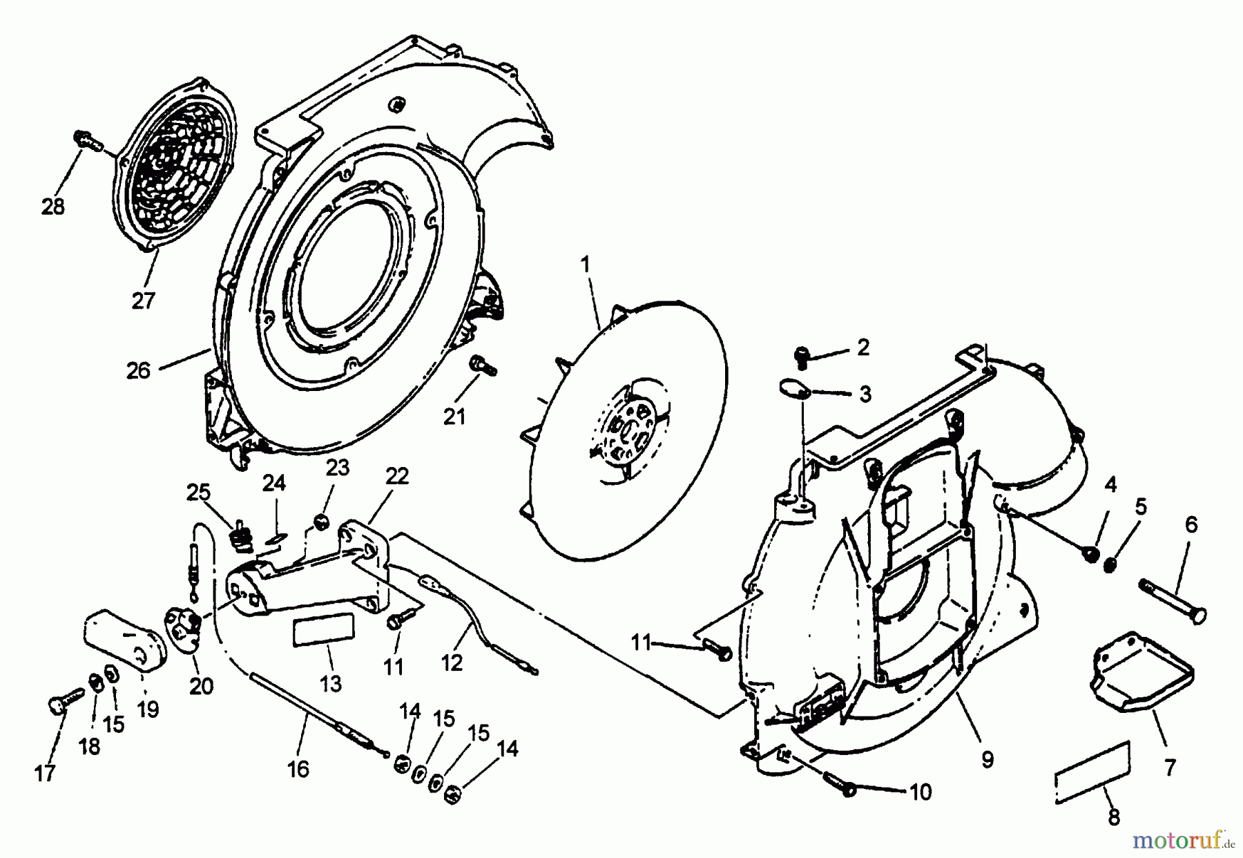
Vous trouverez ici le dessin de la pièce de rechange pour Echo Bläser / Sauger / Häcksler / Mulchgeräte PB-400E - Echo Back Pack Blower, Type 1E S/N 001001 & Up Fan, Housings, Switch, Throttle (06/96). Sélectionnez la pièce de rechange requise dans la liste des pièces de rechange de votre appareil Echo Bläser / Sauger / Häcksler / Mulchgeräte PB-400E - Echo Back Pack Blower, Type 1E S/N 001001 & Up Fan, Housings, Switch, Throttle (06/96) et commandez simplement en ligne. De nombreuses pièces de rechange Echo nous gardons en permanence dans notre entrepôt pour vous.


Gestion de qualité
Aidez-nous à améliorer cette page. Informez-nous de toute erreur que vous trouverez.


