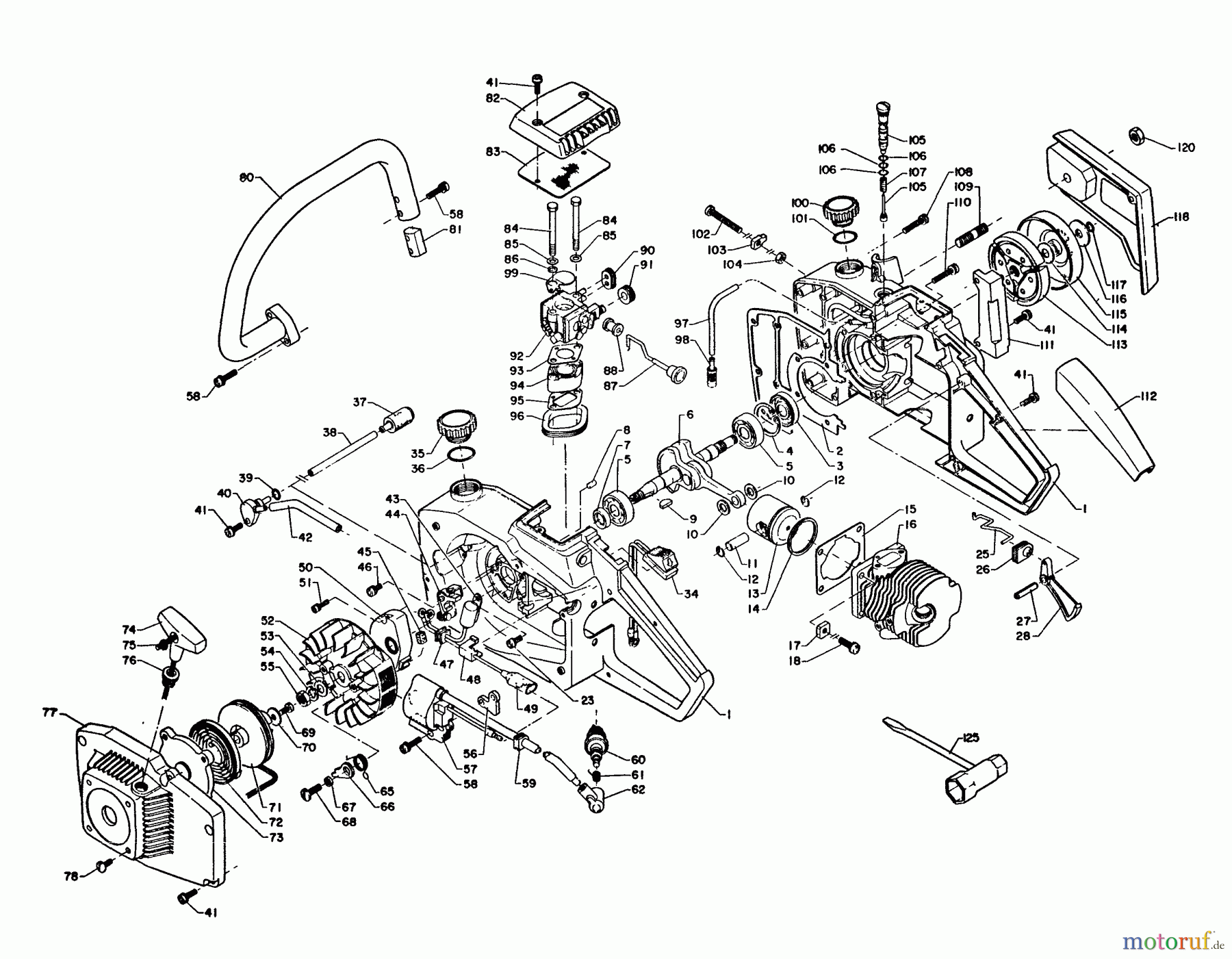
Echo CS-315 - Chainsaw, S/N: 00000 - 058000 Unit Complete Pièces détachées
Unit Complete CS-315 - Echo Chainsaw, S/N: 00000 - 058000

Vous trouverez ici le dessin de la pièce de rechange pour Echo Sägen, Kettensägen CS-315 - Echo Chainsaw, S/N: 00000 - 058000 Unit Complete. Sélectionnez la pièce de rechange requise dans la liste des pièces de rechange de votre appareil Echo Sägen, Kettensägen CS-315 - Echo Chainsaw, S/N: 00000 - 058000 Unit Complete et commandez simplement en ligne. De nombreuses pièces de rechange Echo nous gardons en permanence dans notre entrepôt pour vous.





