Echo CS-601SVL - Chainsaw Fuel Line Pièces détachées
Fuel Line CS-601SVL - Echo Chainsaw

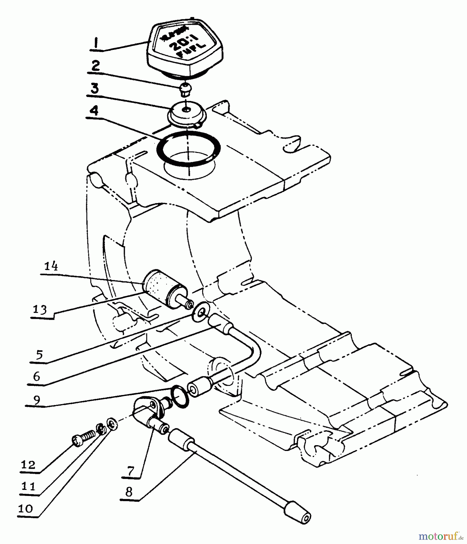
Vous trouverez ici le dessin de la pièce de rechange pour Echo Sägen, Kettensägen CS-601SVL - Echo Chainsaw Fuel Line. Sélectionnez la pièce de rechange requise dans la liste des pièces de rechange de votre appareil Echo Sägen, Kettensägen CS-601SVL - Echo Chainsaw Fuel Line et commandez simplement en ligne. De nombreuses pièces de rechange Echo nous gardons en permanence dans notre entrepôt pour vous.



