Echo CS-6700 - Chainsaw Carburetor Pièces détachées
Carburetor CS-6700 - Echo Chainsaw

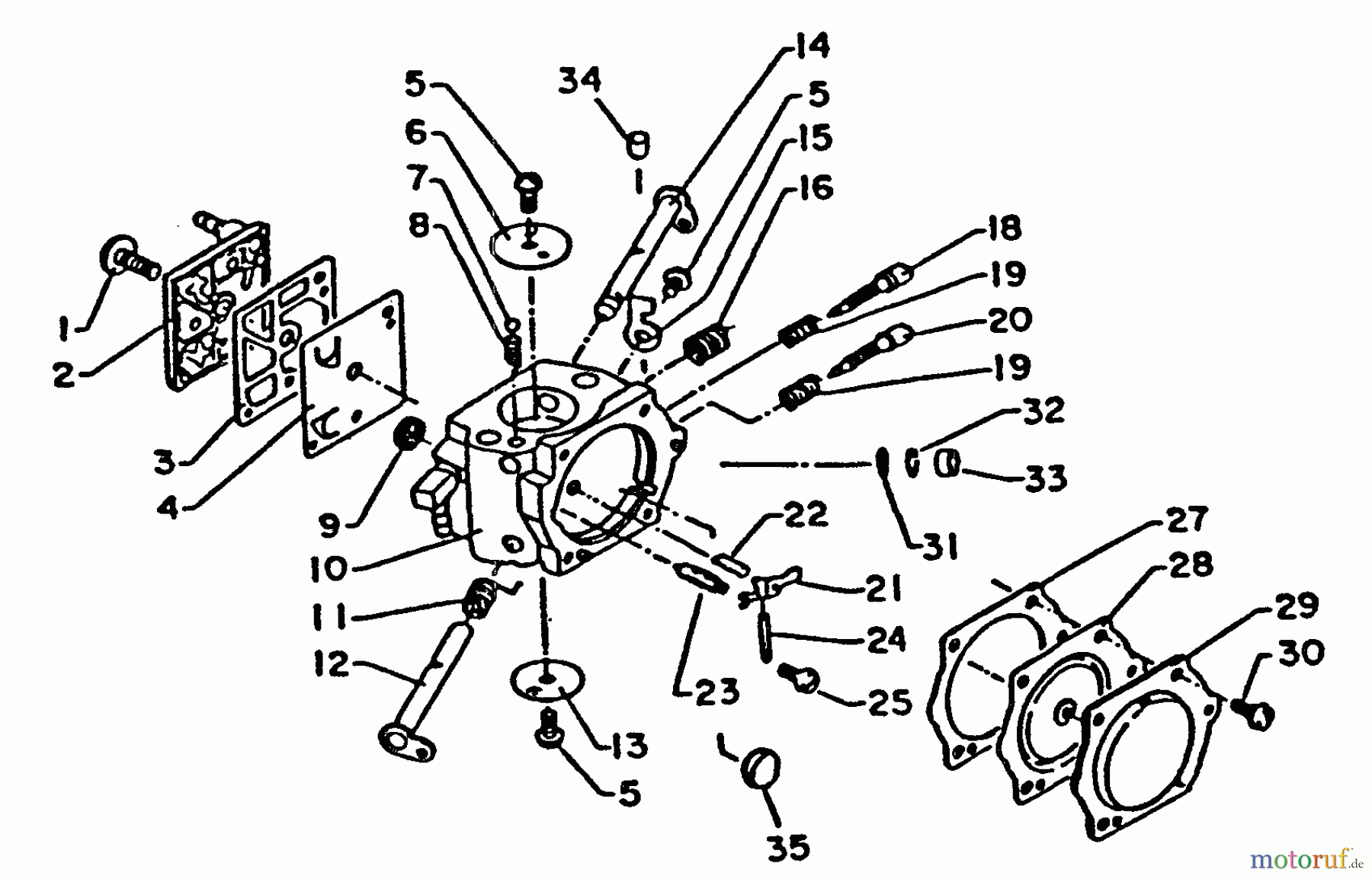
Vous trouverez ici le dessin de la pièce de rechange pour Echo Sägen, Kettensägen CS-6700 - Echo Chainsaw Carburetor. Sélectionnez la pièce de rechange requise dans la liste des pièces de rechange de votre appareil Echo Sägen, Kettensägen CS-6700 - Echo Chainsaw Carburetor et commandez simplement en ligne. De nombreuses pièces de rechange Echo nous gardons en permanence dans notre entrepôt pour vous.


Gestion de qualité
Aidez-nous à améliorer cette page. Informez-nous de toute erreur que vous trouverez.

