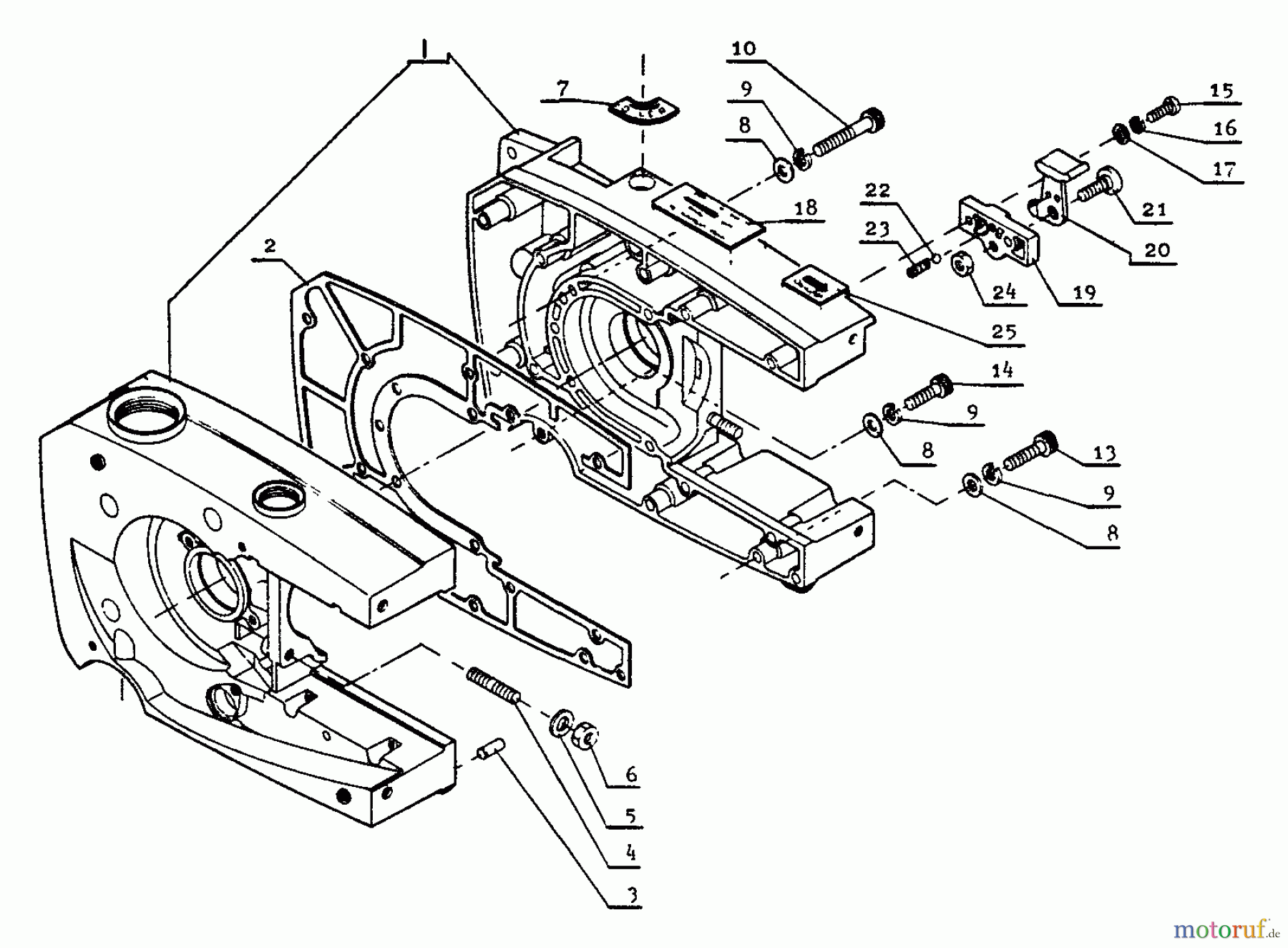
Echo CS-701SVL - Chainsaw Crankcase Pièces détachées
Crankcase CS-701SVL - Echo Chainsaw

Vous trouverez ici le dessin de la pièce de rechange pour Echo Sägen, Kettensägen CS-701SVL - Echo Chainsaw Crankcase. Sélectionnez la pièce de rechange requise dans la liste des pièces de rechange de votre appareil Echo Sägen, Kettensägen CS-701SVL - Echo Chainsaw Crankcase et commandez simplement en ligne. De nombreuses pièces de rechange Echo nous gardons en permanence dans notre entrepôt pour vous.



