Echo CSG-680 - Cut-Off Saw, S/N: 03001001 - 03999999 Blade Cover, Arm Cover, Belt, Clutch Pièces détachées
Blade Cover, Arm Cover, Belt, Clutch CSG-680 - Echo Cut-Off Saw, S/N: 03001001 - 03999999

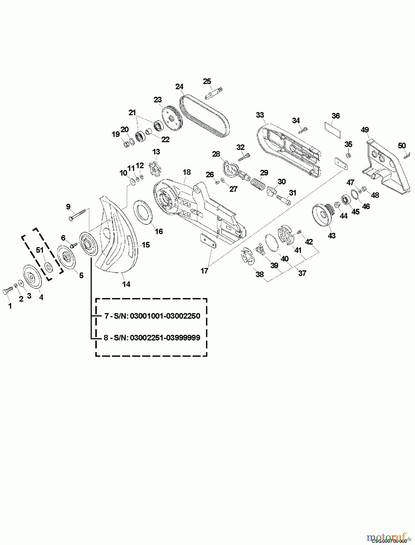
Vous trouverez ici le dessin de la pièce de rechange pour Echo Trennsägen CSG-680 - Echo Cut-Off Saw, S/N: 03001001 - 03999999 Blade Cover, Arm Cover, Belt, Clutch. Sélectionnez la pièce de rechange requise dans la liste des pièces de rechange de votre appareil Echo Trennsägen CSG-680 - Echo Cut-Off Saw, S/N: 03001001 - 03999999 Blade Cover, Arm Cover, Belt, Clutch et commandez simplement en ligne. De nombreuses pièces de rechange Echo nous gardons en permanence dans notre entrepôt pour vous.


Gestion de qualité
Aidez-nous à améliorer cette page. Informez-nous de toute erreur que vous trouverez.

