Echo DM-4610 - Duster/Mister, S/N: D02936001001 - D02936999999 Dusting Attachment Pièces détachées
Dusting Attachment DM-4610 - Echo Duster/Mister, S/N: D02936001001 - D02936999999

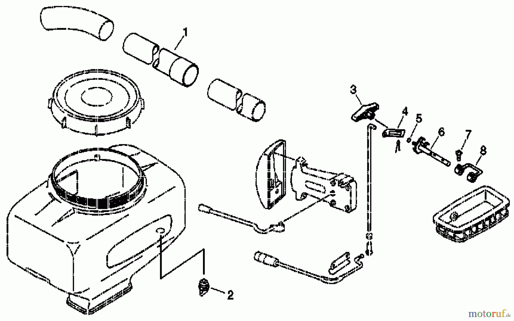
Vous trouverez ici le dessin de la pièce de rechange pour Echo Pflanzenschutzspritzen DM-4610 - Echo Duster/Mister, S/N: D02936001001 - D02936999999 Dusting Attachment. Sélectionnez la pièce de rechange requise dans la liste des pièces de rechange de votre appareil Echo Pflanzenschutzspritzen DM-4610 - Echo Duster/Mister, S/N: D02936001001 - D02936999999 Dusting Attachment et commandez simplement en ligne. De nombreuses pièces de rechange Echo nous gardons en permanence dans notre entrepôt pour vous.
| Pos. | Numéro d'article | Description | |
| 1 | 1621001501110 | ||
| 2 | 1625001601110 | ||
| 3 | 1627020704310 | ||
| 4 | 1627021206410 | ||
| 5 | 16-900720-00007 | O-Ring | |
| 6 | 1627020506411 | ||
| 7 | 1690029204014 | ||
| 8 | 1627021606210 | ||


Gestion de qualité
Aidez-nous à améliorer cette page. Informez-nous de toute erreur que vous trouverez.

