Echo SHR-200E - Power Sprayer Engine,Crankcase,Intake,Exhaust,Air Cleaner,Pump,Exhst,Strtr,Ignition Pièces détachées
Engine,Crankcase,Intake,Exhaust,Air Cleaner,Pump,Exhst,Strtr,Ignition SHR-200E - Echo Power Sprayer

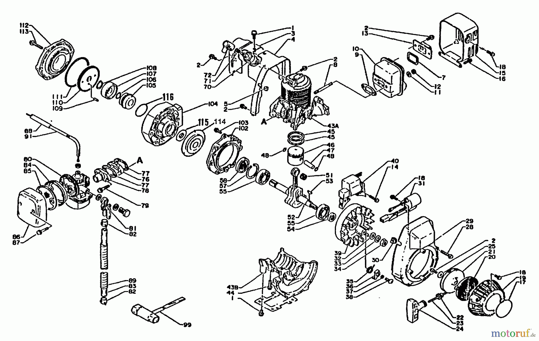
Vous trouverez ici le dessin de la pièce de rechange pour Echo Pflanzenschutzspritzen SHR-200E - Echo Power Sprayer Engine,Crankcase,Intake,Exhaust,Air Cleaner,Pump,Exhst,Strtr,Ignition. Sélectionnez la pièce de rechange requise dans la liste des pièces de rechange de votre appareil Echo Pflanzenschutzspritzen SHR-200E - Echo Power Sprayer Engine,Crankcase,Intake,Exhaust,Air Cleaner,Pump,Exhst,Strtr,Ignition et commandez simplement en ligne. De nombreuses pièces de rechange Echo nous gardons en permanence dans notre entrepôt pour vous.






