Echo TC-2100 - Tiller/Cultivator, S/N: 001001 - 999999 (Type 1) Carburetor -- C1U-K27A S/N: 001001-011089 Pièces détachées
Carburetor -- C1U-K27A S/N: 001001-011089 TC-2100 - Echo Tiller/Cultivator, S/N: 001001 - 999999 (Type 1)

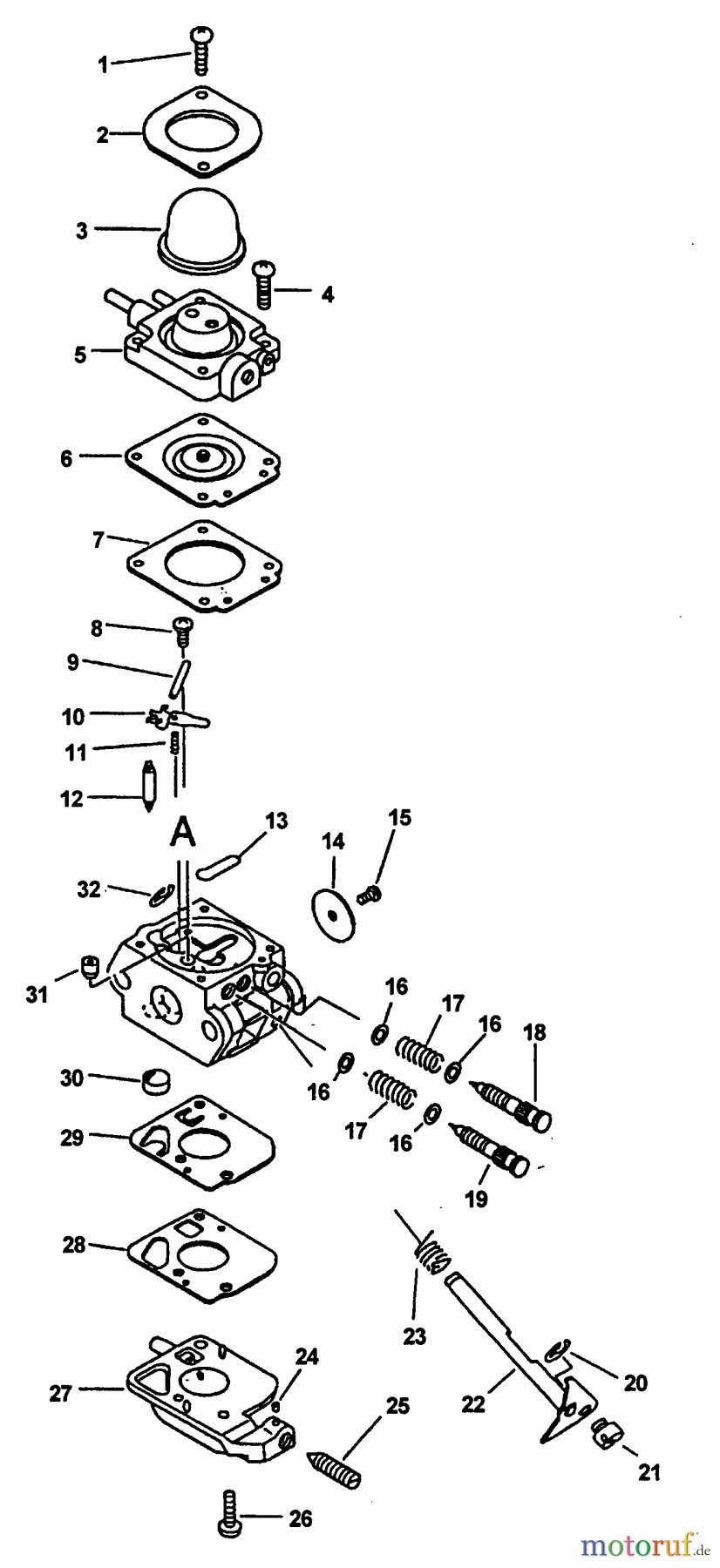
Vous trouverez ici le dessin de la pièce de rechange pour Echo Motorhacken / Kultivierer TC-2100 - Echo Tiller/Cultivator, S/N: 001001 - 999999 (Type 1) Carburetor -- C1U-K27A S/N: 001001-011089. Sélectionnez la pièce de rechange requise dans la liste des pièces de rechange de votre appareil Echo Motorhacken / Kultivierer TC-2100 - Echo Tiller/Cultivator, S/N: 001001 - 999999 (Type 1) Carburetor -- C1U-K27A S/N: 001001-011089 et commandez simplement en ligne. De nombreuses pièces de rechange Echo nous gardons en permanence dans notre entrepôt pour vous.


Gestion de qualité
Aidez-nous à améliorer cette page. Informez-nous de toute erreur que vous trouverez.

