Echo TC-2100 - Tiller/Cultivator, S/N: 001001 - 999999 (Type 1E) Fuel System, Ignition, Starter Pièces détachées
Fuel System, Ignition, Starter TC-2100 - Echo Tiller/Cultivator, S/N: 001001 - 999999 (Type 1E)

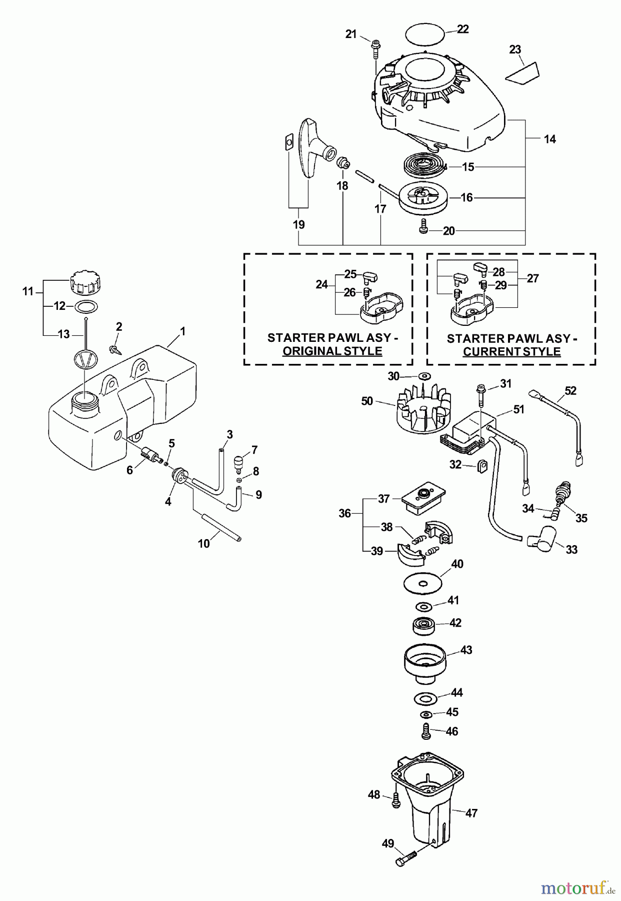
Vous trouverez ici le dessin de la pièce de rechange pour Echo Motorhacken / Kultivierer TC-2100 - Echo Tiller/Cultivator, S/N: 001001 - 999999 (Type 1E) Fuel System, Ignition, Starter. Sélectionnez la pièce de rechange requise dans la liste des pièces de rechange de votre appareil Echo Motorhacken / Kultivierer TC-2100 - Echo Tiller/Cultivator, S/N: 001001 - 999999 (Type 1E) Fuel System, Ignition, Starter et commandez simplement en ligne. De nombreuses pièces de rechange Echo nous gardons en permanence dans notre entrepôt pour vous.


Gestion de qualité
Aidez-nous à améliorer cette page. Informez-nous de toute erreur que vous trouverez.




