Echo SRM-202F - String Trimmer Intake, Exhaust, Air Cleaner Pièces détachées
Intake, Exhaust, Air Cleaner SRM-202F - Echo String Trimmer

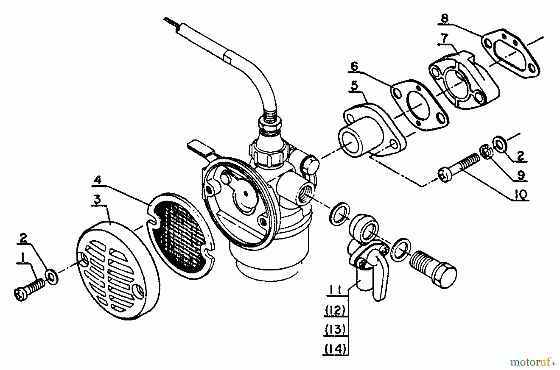
Vous trouverez ici le dessin de la pièce de rechange pour Echo Trimmer, Faden / Bürste SRM-202F - Echo String Trimmer Intake, Exhaust, Air Cleaner. Sélectionnez la pièce de rechange requise dans la liste des pièces de rechange de votre appareil Echo Trimmer, Faden / Bürste SRM-202F - Echo String Trimmer Intake, Exhaust, Air Cleaner et commandez simplement en ligne. De nombreuses pièces de rechange Echo nous gardons en permanence dans notre entrepôt pour vous.
| Pos. | Numéro d'article | Description | |
| 1 | 16-900220-04012 | Schraube | |
| 2 | 16-900600-00004 | Scheibe | |
| 3 | 1699999999999 | ||
| 4 | 1613031304730 | ||
| 5 | 1613051004730 | ||
| 6 | 16-130016-04631 | Dichtung(Papier) OB-400E | |
| 7 | 1613001704731 | ||
| 8 | 16-130010-04630 | Vergaserdichtung | |
| 9 | 16-900605-00004 | Scheibe | |
| 10 | 1690022004025 | ||
| 11 | 16-132200-00512 | Benzinhahn RM-380, RM-385 | |
| 12 | 16 | 16 | |
| 13 | 16 | 16 | |
| 14 | 16 | 16 | |


Gestion de qualité
Aidez-nous à améliorer cette page. Informez-nous de toute erreur que vous trouverez.

