Echo WP-2000 - Water Pump, S/N: A1010 - A9999 GOVERNOR Pièces détachées
GOVERNOR WP-2000 - Echo Water Pump, S/N: A1010 - A9999

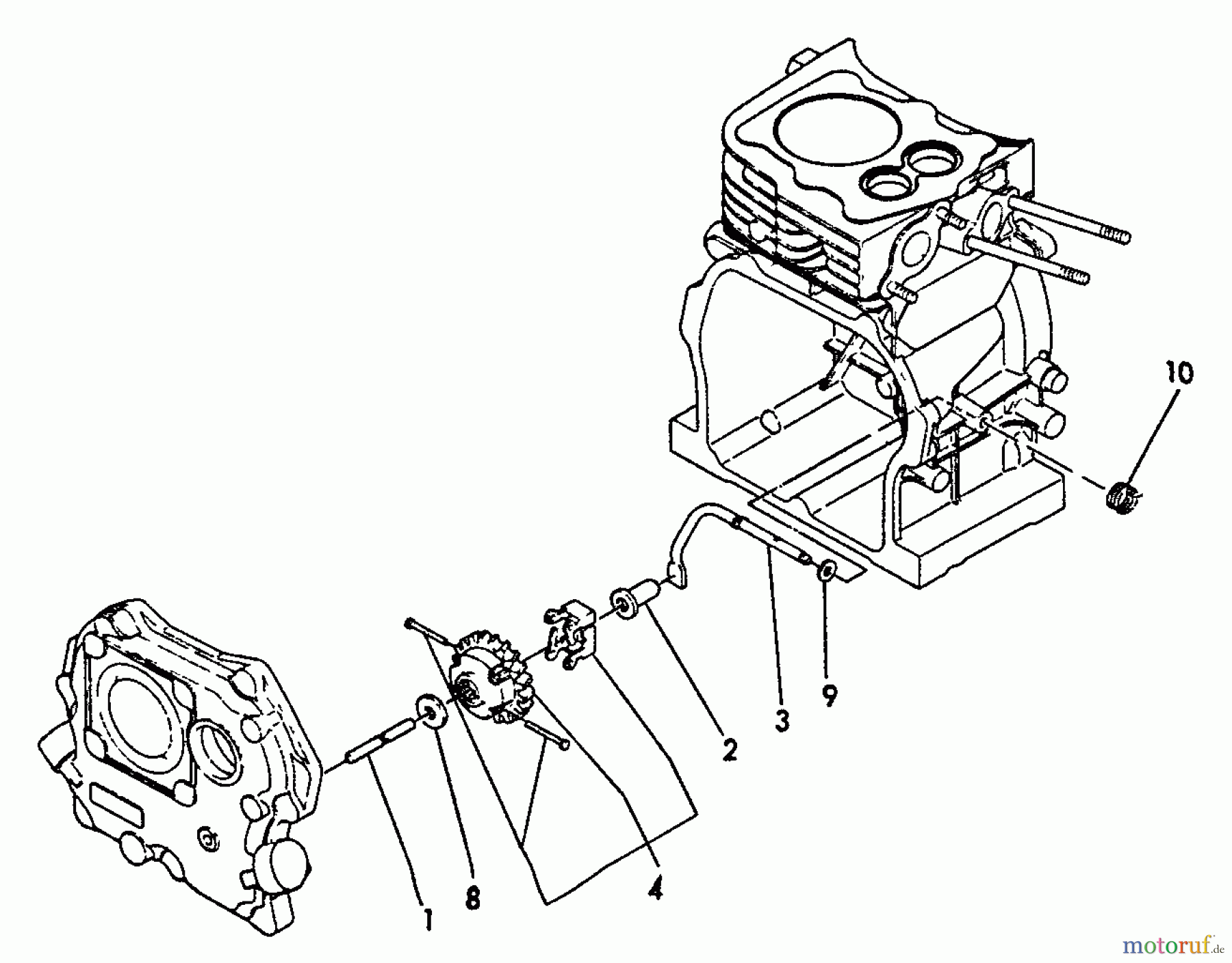
Vous trouverez ici le dessin de la pièce de rechange pour Echo Wasserpumpen WP-2000 - Echo Water Pump, S/N: A1010 - A9999 GOVERNOR. Sélectionnez la pièce de rechange requise dans la liste des pièces de rechange de votre appareil Echo Wasserpumpen WP-2000 - Echo Water Pump, S/N: A1010 - A9999 GOVERNOR et commandez simplement en ligne. De nombreuses pièces de rechange Echo nous gardons en permanence dans notre entrepôt pour vous.
| Pos. | Numéro d'article | Description | |
| 1 | 16Y16061061100 | ||
| 2 | 16Y16061061300 | ||
| 3 | 1699999999999 | ||
| 4 | 16Y16064161600 | ||
| 8 | 16Y16012076940 | ||
| 9 | 16Y16072013730 | ||
| 10 | 16Y16061166030 | ||


Gestion de qualité
Aidez-nous à améliorer cette page. Informez-nous de toute erreur que vous trouverez.

