Murray 405002x8A - Scotts 40" Lawn Tractor (2002) (Home Depot) Mower Housing Suspension Pièces détachées
Mower Housing Suspension 405002x8A - Scotts 40" Lawn Tractor (2002) (Home Depot)

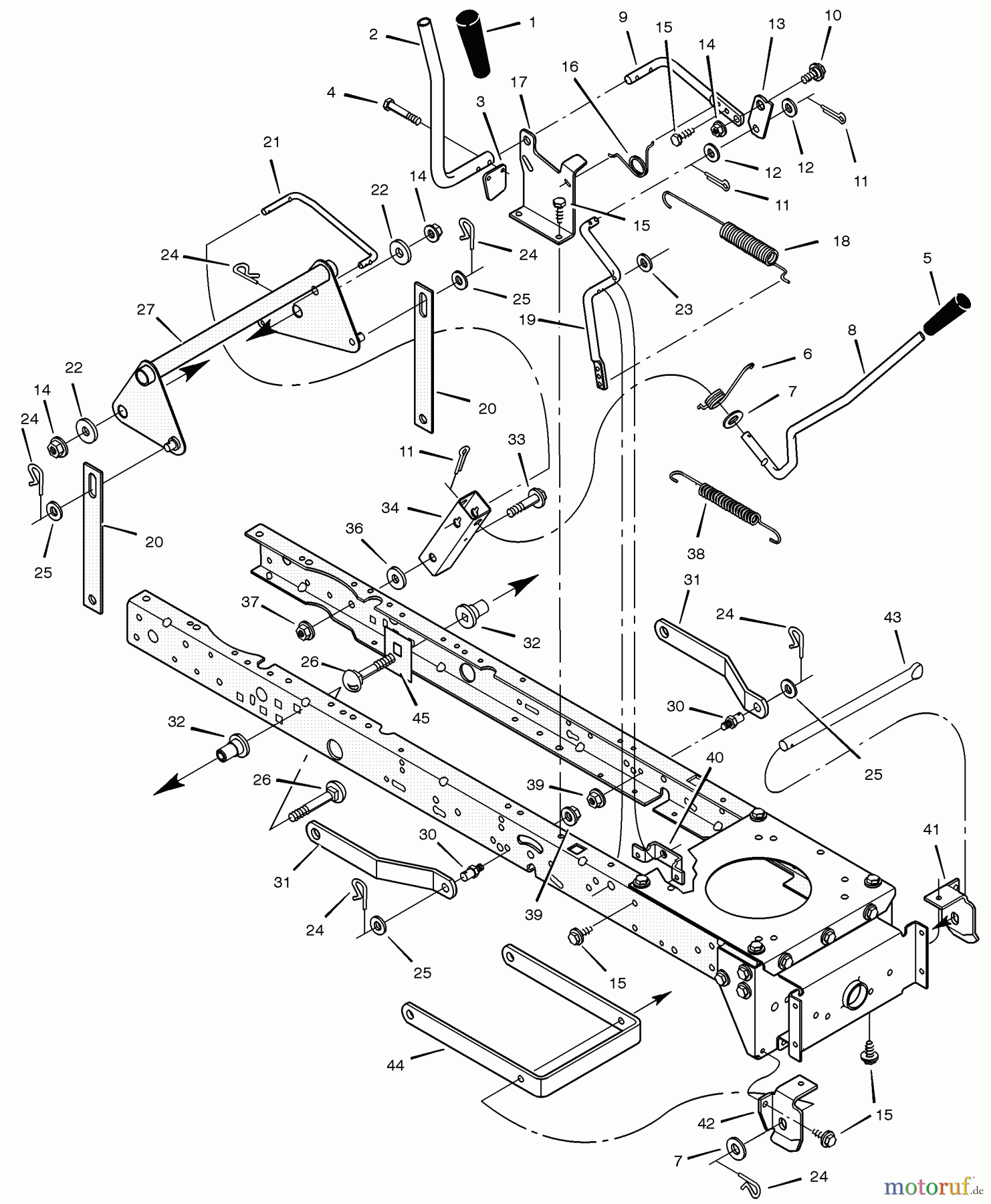
Vous trouverez ici le dessin de la pièce de rechange pour Murray Rasen- und Gartentraktoren 405002x8A - Scotts 40" Lawn Tractor (2002) (Home Depot) Mower Housing Suspension. Sélectionnez la pièce de rechange requise dans la liste des pièces de rechange de votre appareil Murray Rasen- und Gartentraktoren 405002x8A - Scotts 40" Lawn Tractor (2002) (Home Depot) Mower Housing Suspension et commandez simplement en ligne. De nombreuses pièces de rechange Murray nous gardons en permanence dans notre entrepôt pour vous.


Gestion de qualité
Aidez-nous à améliorer cette page. Informez-nous de toute erreur que vous trouverez.

