Murray 405005x99C - B&S/ 40" Lawn Tractor (2004) (AAFES) Electrical System Pièces détachées
Electrical System 405005x99C - B&S/Murray 40" Lawn Tractor (2004) (AAFES)

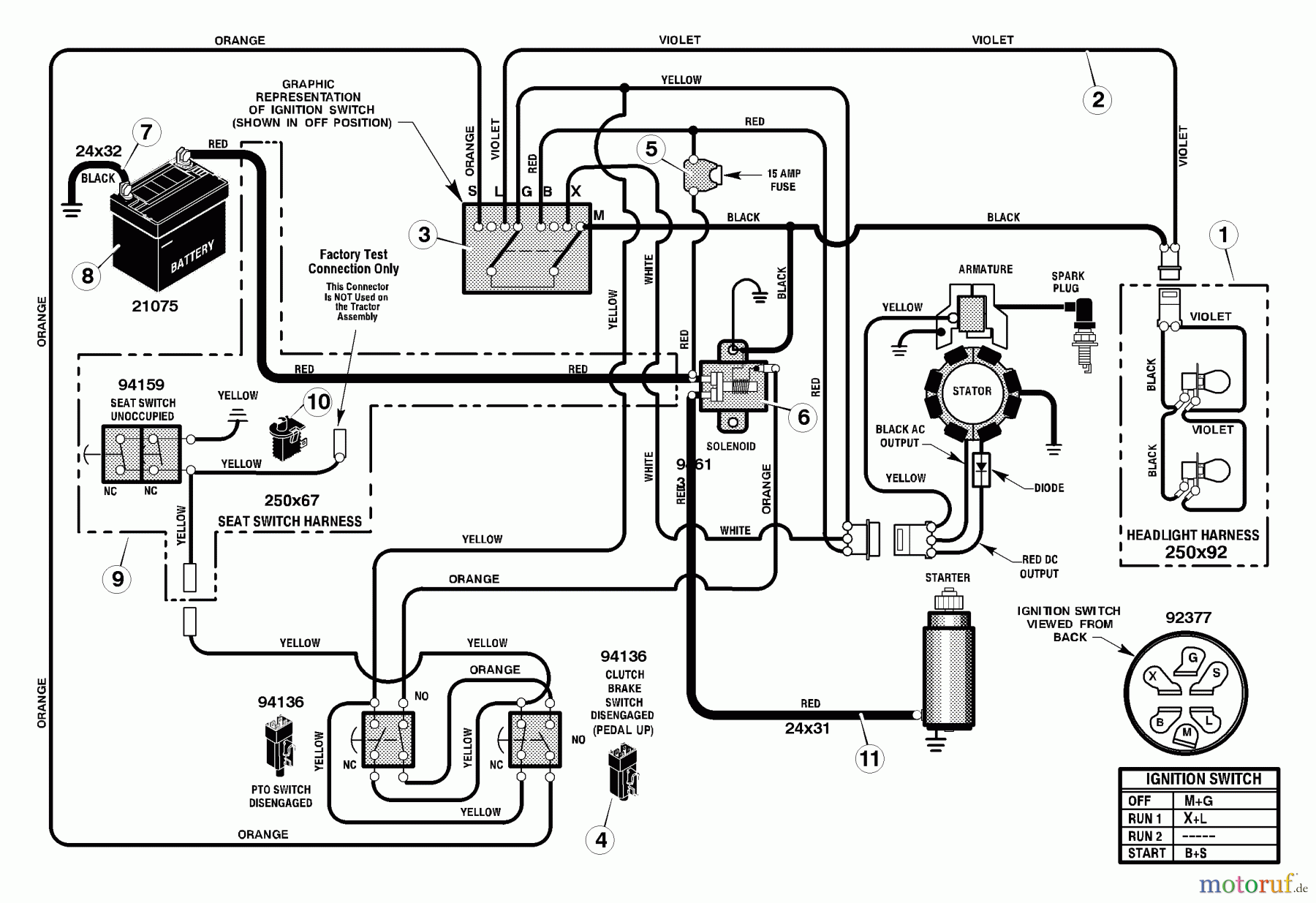
Vous trouverez ici le dessin de la pièce de rechange pour Murray Rasen- und Gartentraktoren 405005x99C - B&S/Murray 40" Lawn Tractor (2004) (AAFES) Electrical System. Sélectionnez la pièce de rechange requise dans la liste des pièces de rechange de votre appareil Murray Rasen- und Gartentraktoren 405005x99C - B&S/Murray 40" Lawn Tractor (2004) (AAFES) Electrical System et commandez simplement en ligne. De nombreuses pièces de rechange Murray nous gardons en permanence dans notre entrepôt pour vous.


Gestion de qualité
Aidez-nous à améliorer cette page. Informez-nous de toute erreur que vous trouverez.

