Murray 405014x92A - B&S/ 40" Lawn Tractor (2001) (Walmart) Chassis & Hood Pièces détachées
Chassis & Hood 405014x92A - B&S/Murray 40" Lawn Tractor (2001) (Walmart)

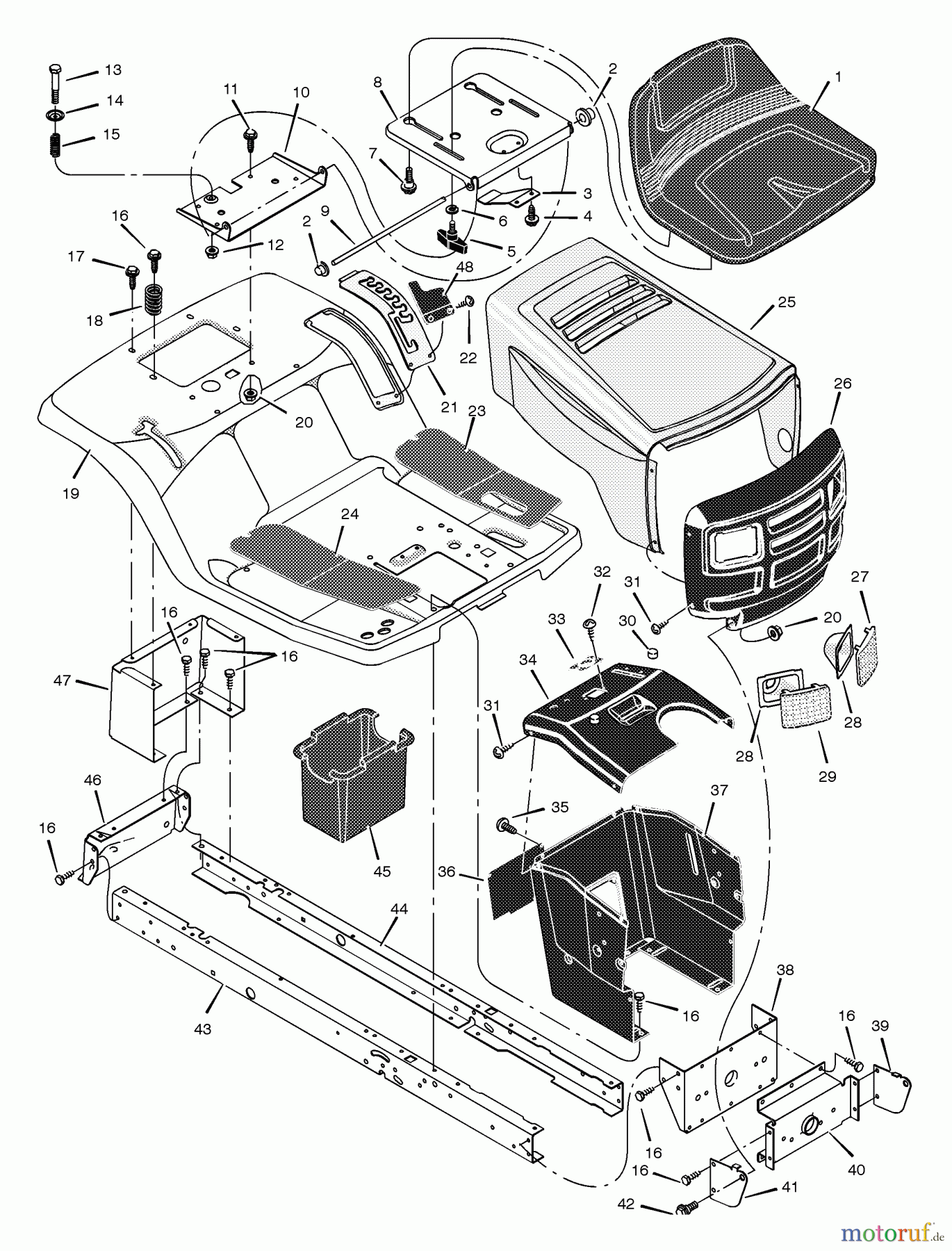
Vous trouverez ici le dessin de la pièce de rechange pour Murray Rasen- und Gartentraktoren 405014x92A - B&S/Murray 40" Lawn Tractor (2001) (Walmart) Chassis & Hood. Sélectionnez la pièce de rechange requise dans la liste des pièces de rechange de votre appareil Murray Rasen- und Gartentraktoren 405014x92A - B&S/Murray 40" Lawn Tractor (2001) (Walmart) Chassis & Hood et commandez simplement en ligne. De nombreuses pièces de rechange Murray nous gardons en permanence dans notre entrepôt pour vous.




