Murray 42515x92B - B&S/ 42" Lawn Tractor (2001) (Walmart) Motion Drive Pièces détachées
Motion Drive 42515x92B - B&S/Murray 42" Lawn Tractor (2001) (Walmart)

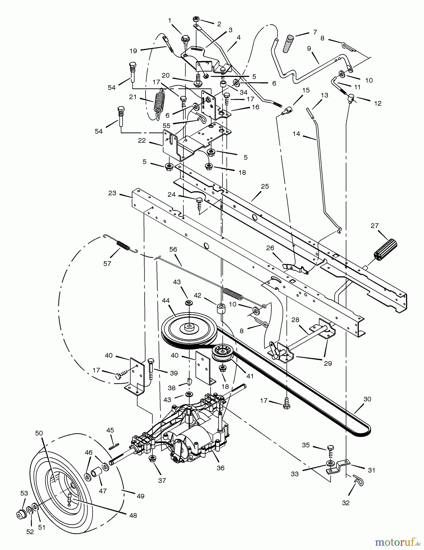
Vous trouverez ici le dessin de la pièce de rechange pour Murray Rasen- und Gartentraktoren 42515x92B - B&S/Murray 42" Lawn Tractor (2001) (Walmart) Motion Drive. Sélectionnez la pièce de rechange requise dans la liste des pièces de rechange de votre appareil Murray Rasen- und Gartentraktoren 42515x92B - B&S/Murray 42" Lawn Tractor (2001) (Walmart) Motion Drive et commandez simplement en ligne. De nombreuses pièces de rechange Murray nous gardons en permanence dans notre entrepôt pour vous.








