Murray 42534x25A - B&S/ 42" Lawn Tractor (1997) (Marchands) Mower Housing Suspension Pièces détachées
Mower Housing Suspension 42534x25A - B&S/Murray 42" Lawn Tractor (1997) (Marchands)

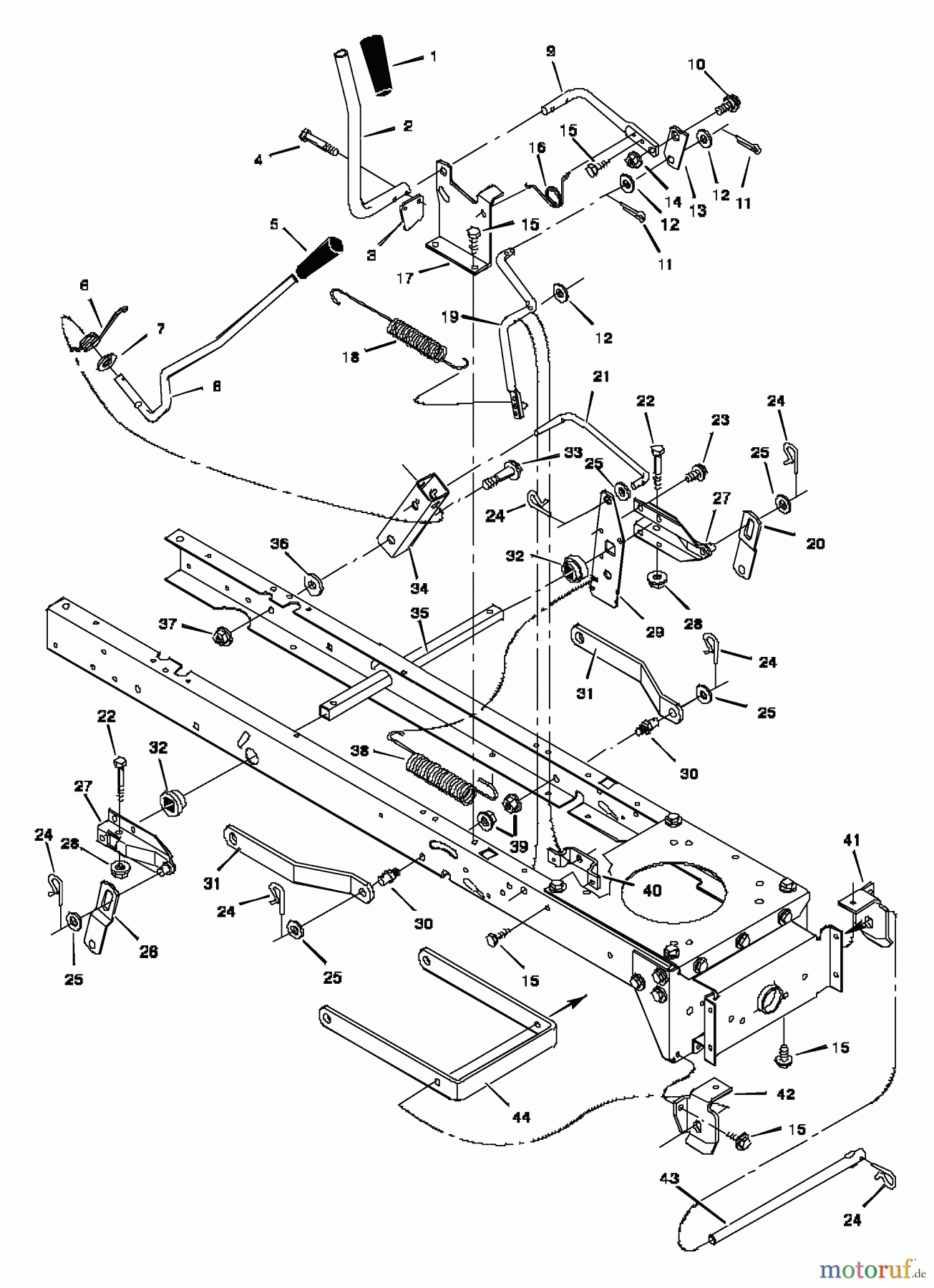
Vous trouverez ici le dessin de la pièce de rechange pour Murray Rasen- und Gartentraktoren 42534x25A - B&S/Murray 42" Lawn Tractor (1997) (Marchands) Mower Housing Suspension. Sélectionnez la pièce de rechange requise dans la liste des pièces de rechange de votre appareil Murray Rasen- und Gartentraktoren 42534x25A - B&S/Murray 42" Lawn Tractor (1997) (Marchands) Mower Housing Suspension et commandez simplement en ligne. De nombreuses pièces de rechange Murray nous gardons en permanence dans notre entrepôt pour vous.



