Murray 42544x8E - Scotts 42" Lawn Tractor (1999) (Home Depot) Mower Housing Suspension Pièces détachées
Mower Housing Suspension 42544x8E - Scotts 42" Lawn Tractor (1999) (Home Depot)

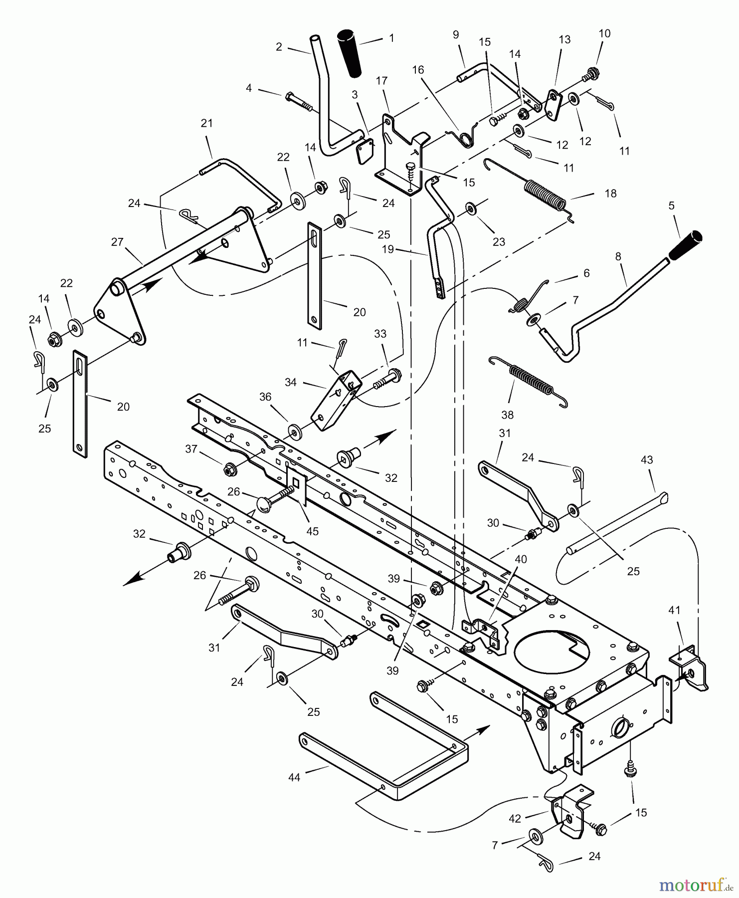
Vous trouverez ici le dessin de la pièce de rechange pour Murray Rasen- und Gartentraktoren 42544x8E - Scotts 42" Lawn Tractor (1999) (Home Depot) Mower Housing Suspension. Sélectionnez la pièce de rechange requise dans la liste des pièces de rechange de votre appareil Murray Rasen- und Gartentraktoren 42544x8E - Scotts 42" Lawn Tractor (1999) (Home Depot) Mower Housing Suspension et commandez simplement en ligne. De nombreuses pièces de rechange Murray nous gardons en permanence dans notre entrepôt pour vous.



