Murray 42583x6B - Ultra 42" Lawn Tractor (2001) Engine Mount Pièces détachées
Engine Mount 42583x6B - Murray Ultra 42" Lawn Tractor (2001)

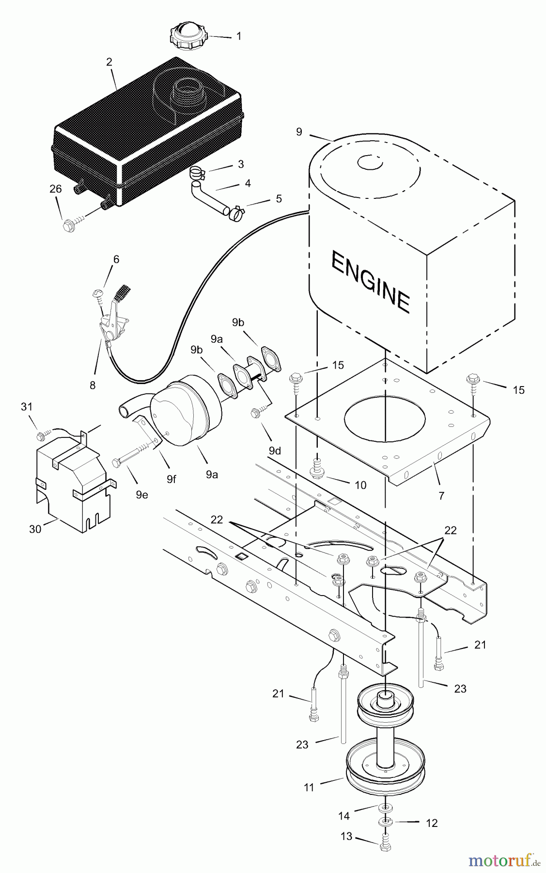
Vous trouverez ici le dessin de la pièce de rechange pour Murray Rasen- und Gartentraktoren 42583x6B - Murray Ultra 42" Lawn Tractor (2001) Engine Mount. Sélectionnez la pièce de rechange requise dans la liste des pièces de rechange de votre appareil Murray Rasen- und Gartentraktoren 42583x6B - Murray Ultra 42" Lawn Tractor (2001) Engine Mount et commandez simplement en ligne. De nombreuses pièces de rechange Murray nous gardons en permanence dans notre entrepôt pour vous.



