Murray 42589x8 - Scotts 42" Lawn Tractor (1999) (Home Depot) Schematic Wiring Pièces détachées
Schematic Wiring 42589x8 - Scotts 42" Lawn Tractor (1999) (Home Depot)

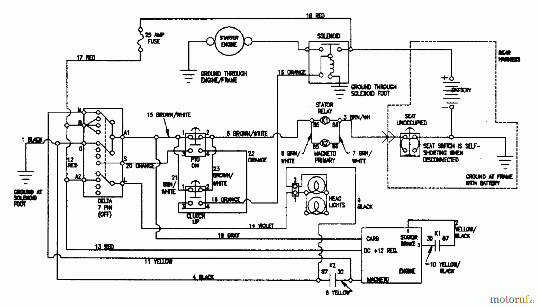
Vous trouverez ici le dessin de la pièce de rechange pour Murray Rasen- und Gartentraktoren 42589x8 - Scotts 42" Lawn Tractor (1999) (Home Depot) Schematic Wiring. Sélectionnez la pièce de rechange requise dans la liste des pièces de rechange de votre appareil Murray Rasen- und Gartentraktoren 42589x8 - Scotts 42" Lawn Tractor (1999) (Home Depot) Schematic Wiring et commandez simplement en ligne. De nombreuses pièces de rechange Murray nous gardons en permanence dans notre entrepôt pour vous.


Gestion de qualité
Aidez-nous à améliorer cette page. Informez-nous de toute erreur que vous trouverez.

