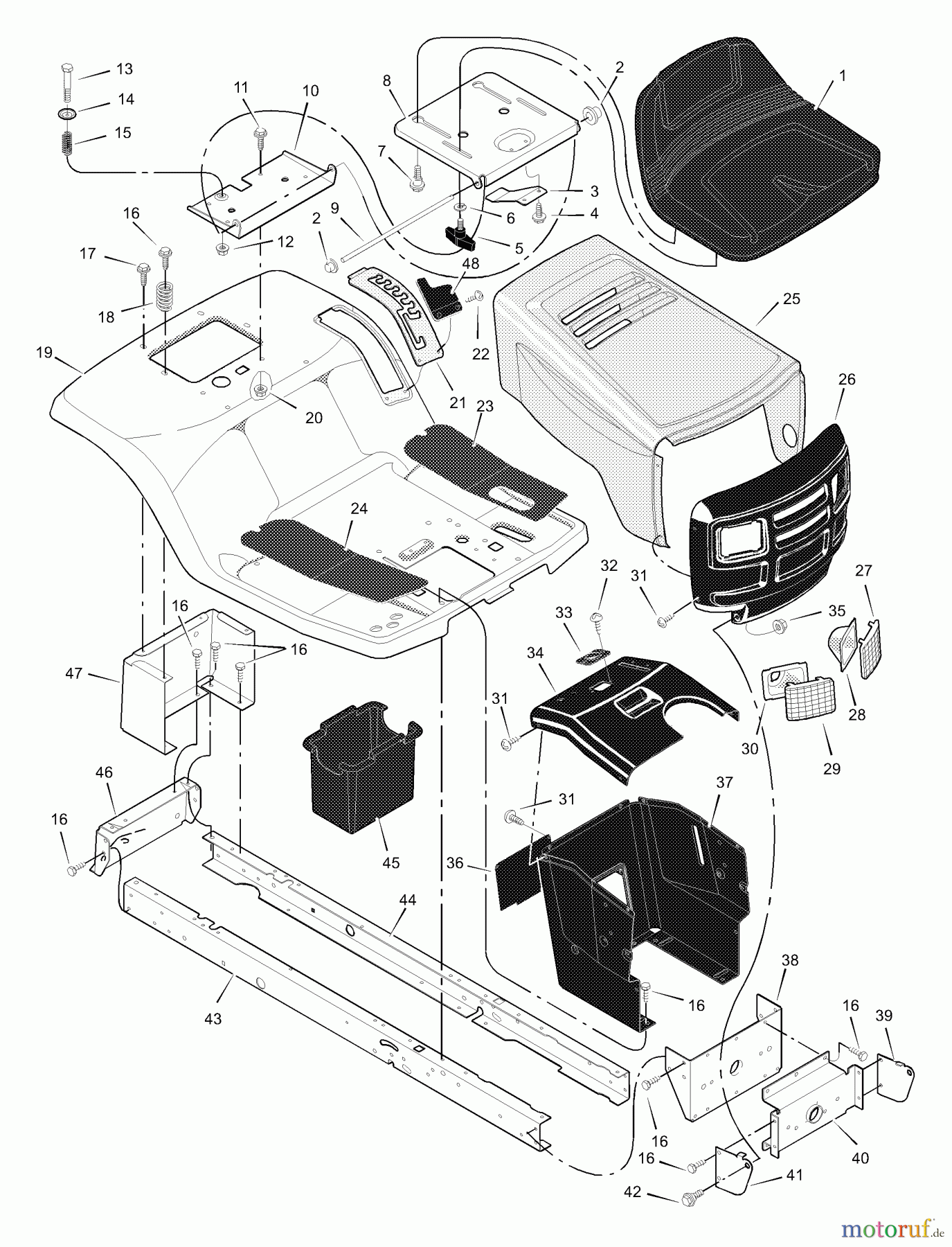
Murray 42590C - 42" Lawn Tractor (2000) Chassis & Hood Pièces détachées
Chassis & Hood 42590C - Murray 42" Lawn Tractor (2000)

Vous trouverez ici le dessin de la pièce de rechange pour Murray Rasen- und Gartentraktoren 42590C - Murray 42" Lawn Tractor (2000) Chassis & Hood. Sélectionnez la pièce de rechange requise dans la liste des pièces de rechange de votre appareil Murray Rasen- und Gartentraktoren 42590C - Murray 42" Lawn Tractor (2000) Chassis & Hood et commandez simplement en ligne. De nombreuses pièces de rechange Murray nous gardons en permanence dans notre entrepôt pour vous.




