Murray 46567x6A - Ultra 46" Lawn Tractor (1997) Chassis & Hood Pièces détachées
Chassis & Hood 46567x6A - Murray Ultra 46" Lawn Tractor (1997)

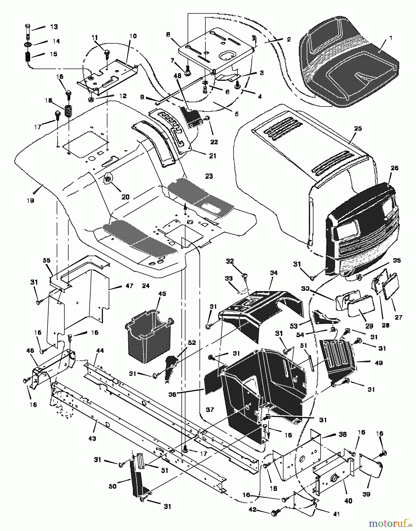
Vous trouverez ici le dessin de la pièce de rechange pour Murray Rasen- und Gartentraktoren 46567x6A - Murray Ultra 46" Lawn Tractor (1997) Chassis & Hood. Sélectionnez la pièce de rechange requise dans la liste des pièces de rechange de votre appareil Murray Rasen- und Gartentraktoren 46567x6A - Murray Ultra 46" Lawn Tractor (1997) Chassis & Hood et commandez simplement en ligne. De nombreuses pièces de rechange Murray nous gardons en permanence dans notre entrepôt pour vous.




