Murray 46581x92C - B&S/ 46" Lawn Tractor (2001) (Walmart) Engine Mount Pièces détachées
Engine Mount 46581x92C - B&S/Murray 46" Lawn Tractor (2001) (Walmart)

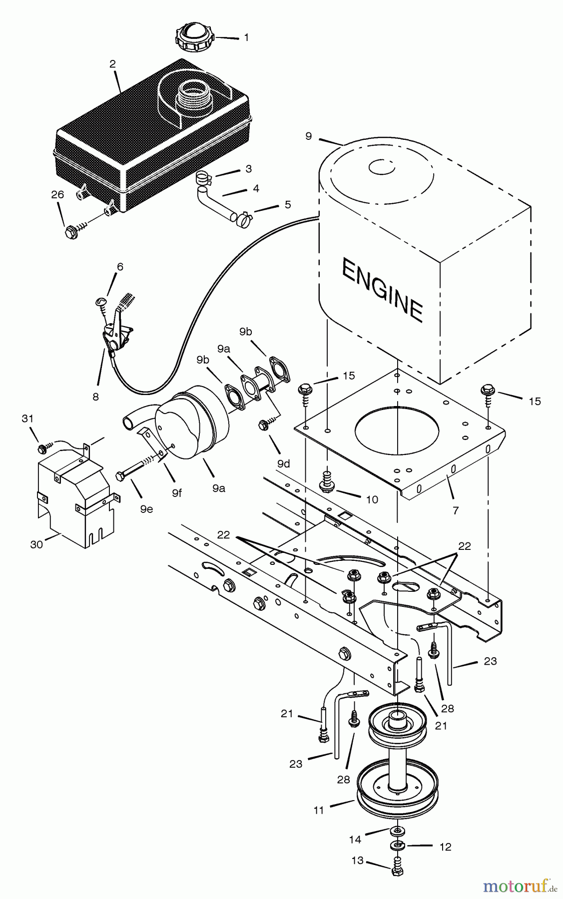
Vous trouverez ici le dessin de la pièce de rechange pour Murray Rasen- und Gartentraktoren 46581x92C - B&S/Murray 46" Lawn Tractor (2001) (Walmart) Engine Mount. Sélectionnez la pièce de rechange requise dans la liste des pièces de rechange de votre appareil Murray Rasen- und Gartentraktoren 46581x92C - B&S/Murray 46" Lawn Tractor (2001) (Walmart) Engine Mount et commandez simplement en ligne. De nombreuses pièces de rechange Murray nous gardons en permanence dans notre entrepôt pour vous.



