Murray 52101x92A - B&S/ 52" Garden Tractor (2000) (Walmart) Motion Drive Pièces détachées
Motion Drive 52101x92A - B&S/Murray 52" Garden Tractor (2000) (Walmart)

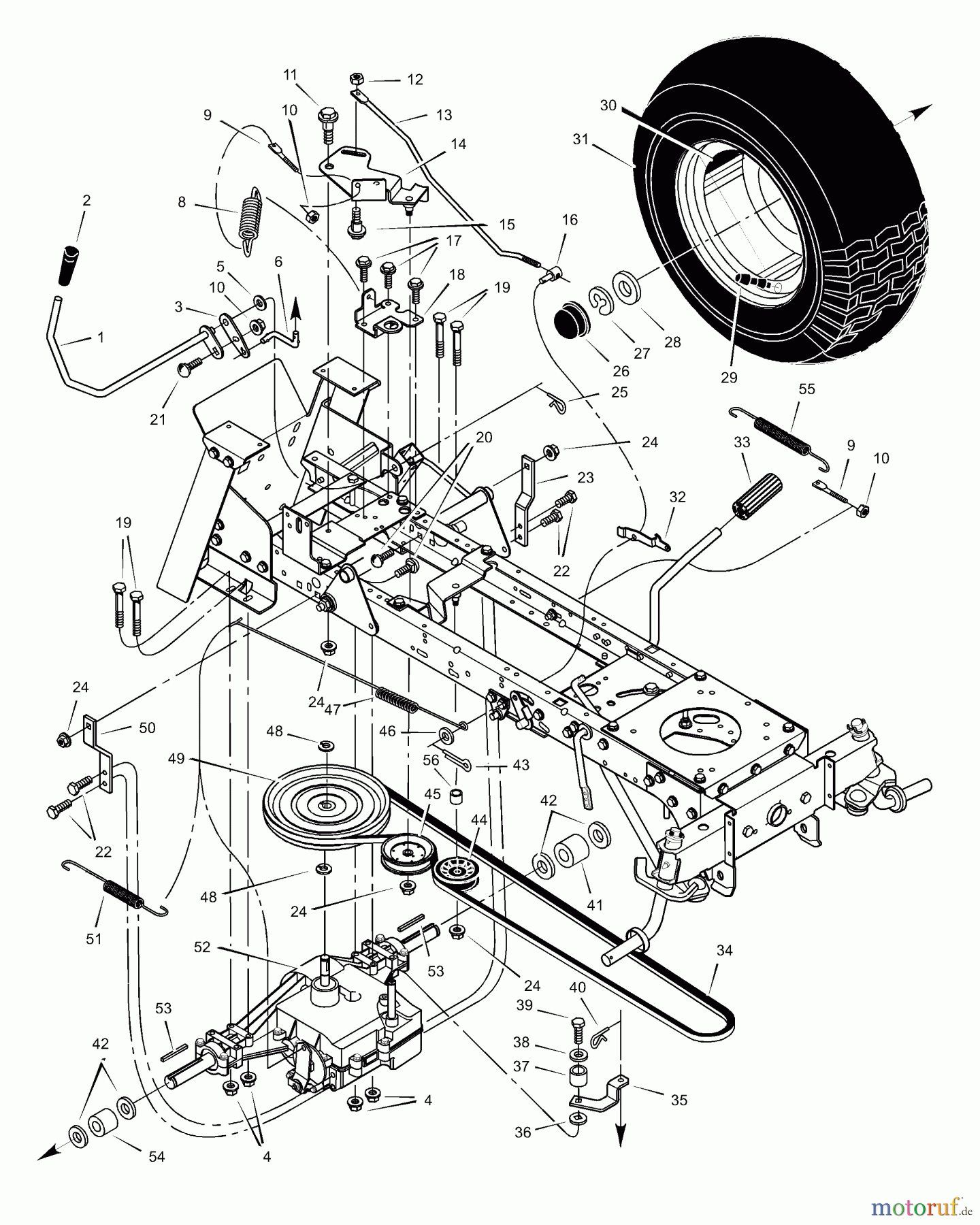
Vous trouverez ici le dessin de la pièce de rechange pour Murray Rasen- und Gartentraktoren 52101x92A - B&S/Murray 52" Garden Tractor (2000) (Walmart) Motion Drive. Sélectionnez la pièce de rechange requise dans la liste des pièces de rechange de votre appareil Murray Rasen- und Gartentraktoren 52101x92A - B&S/Murray 52" Garden Tractor (2000) (Walmart) Motion Drive et commandez simplement en ligne. De nombreuses pièces de rechange Murray nous gardons en permanence dans notre entrepôt pour vous.


Gestion de qualité
Aidez-nous à améliorer cette page. Informez-nous de toute erreur que vous trouverez.





