Murray 521613x89A - Yard King Performance 52" Garden Tractor (2001) Blade Drive Pièces détachées
Blade Drive 521613x89A - Yard King Performance 52" Garden Tractor (2001)

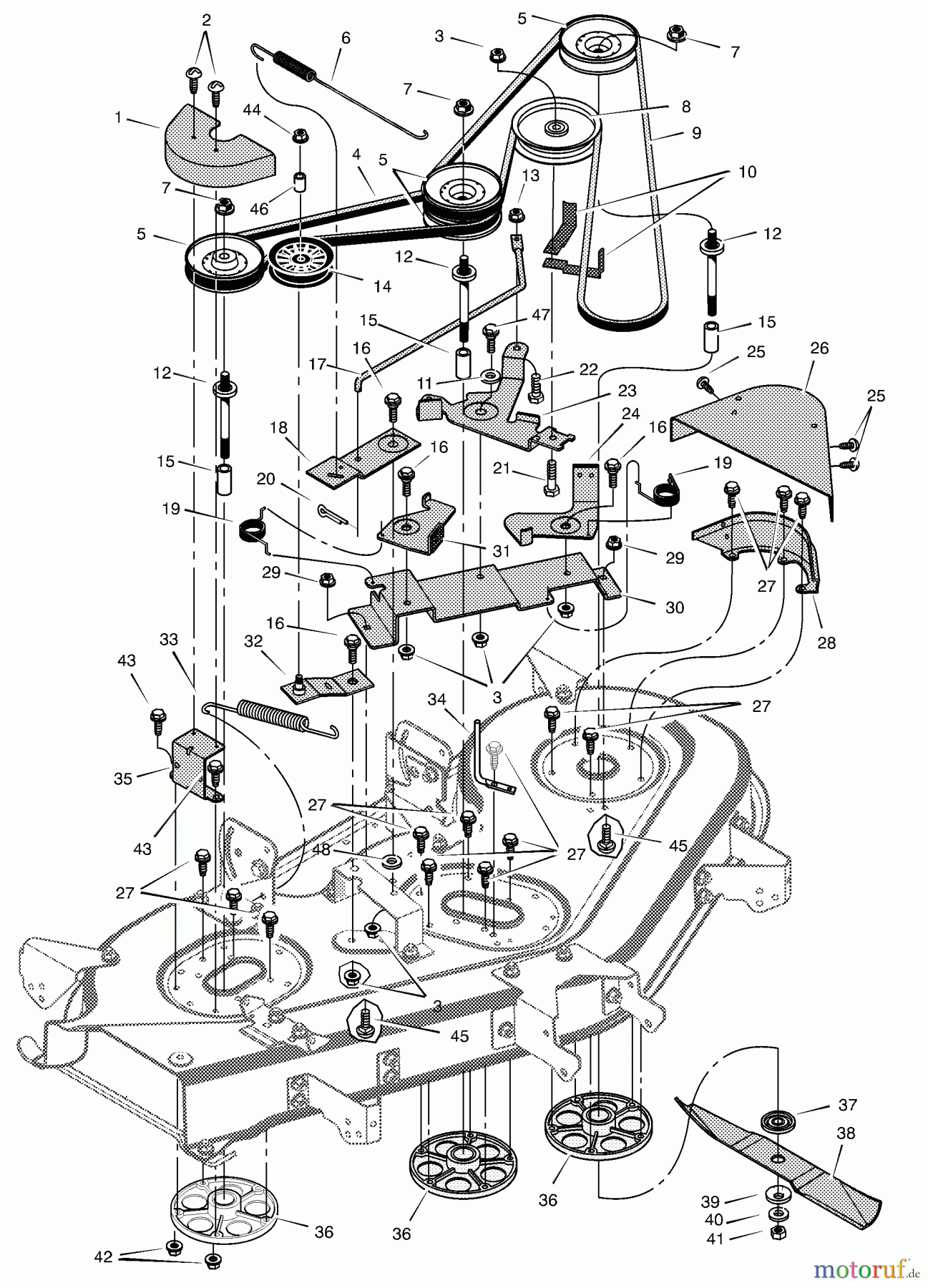
Vous trouverez ici le dessin de la pièce de rechange pour Murray Rasen- und Gartentraktoren 521613x89A - Yard King Performance 52" Garden Tractor (2001) Blade Drive. Sélectionnez la pièce de rechange requise dans la liste des pièces de rechange de votre appareil Murray Rasen- und Gartentraktoren 521613x89A - Yard King Performance 52" Garden Tractor (2001) Blade Drive et commandez simplement en ligne. De nombreuses pièces de rechange Murray nous gardons en permanence dans notre entrepôt pour vous.









