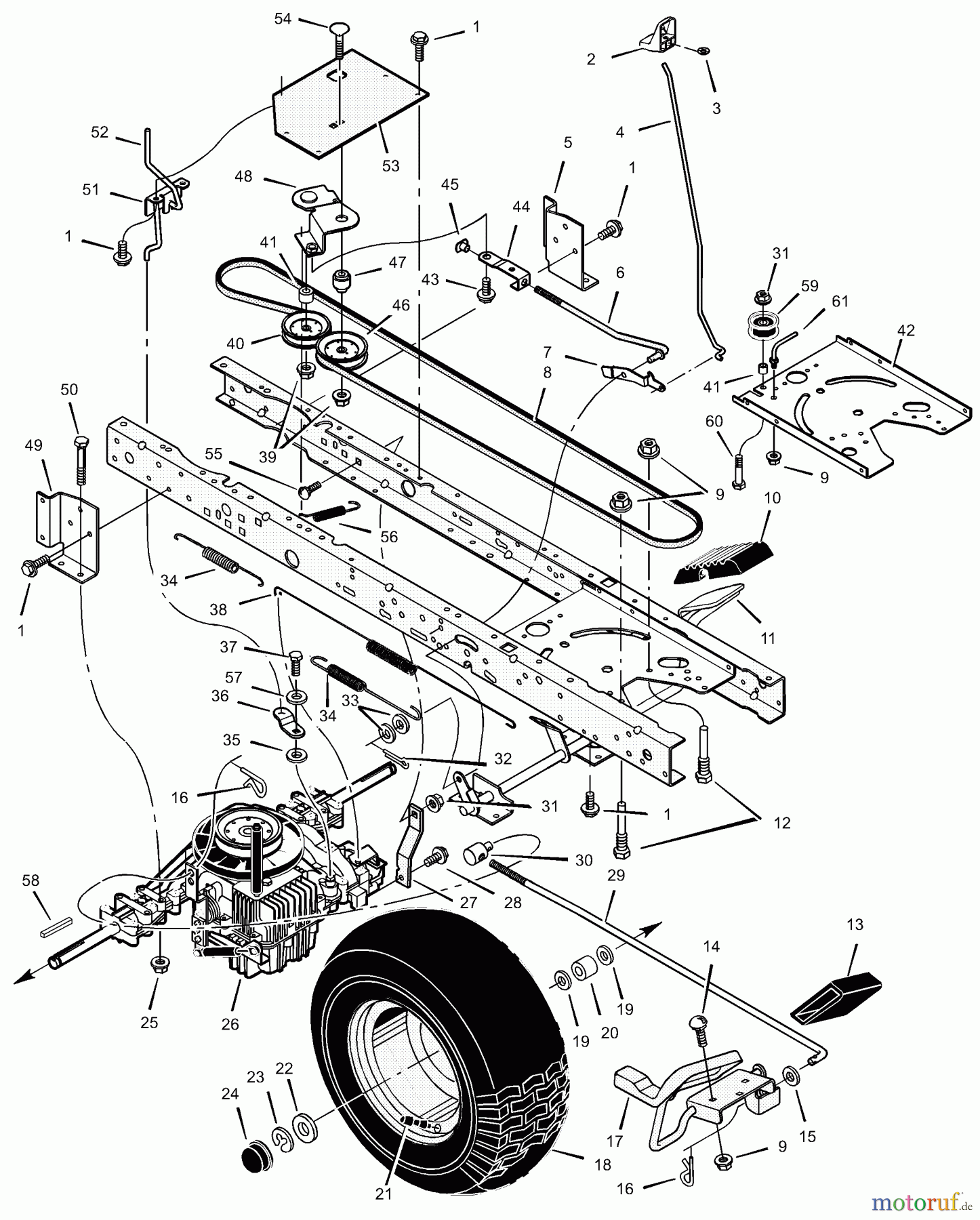
Murray 525607x692B - Stanley 52" Lawn Tractor (2002) Drive Assembly Pièces détachées
Drive Assembly 525607x692B - Stanley 52" Lawn Tractor (2002)

Vous trouverez ici le dessin de la pièce de rechange pour Murray Rasen- und Gartentraktoren 525607x692B - Stanley 52" Lawn Tractor (2002) Drive Assembly. Sélectionnez la pièce de rechange requise dans la liste des pièces de rechange de votre appareil Murray Rasen- und Gartentraktoren 525607x692B - Stanley 52" Lawn Tractor (2002) Drive Assembly et commandez simplement en ligne. De nombreuses pièces de rechange Murray nous gardons en permanence dans notre entrepôt pour vous.







