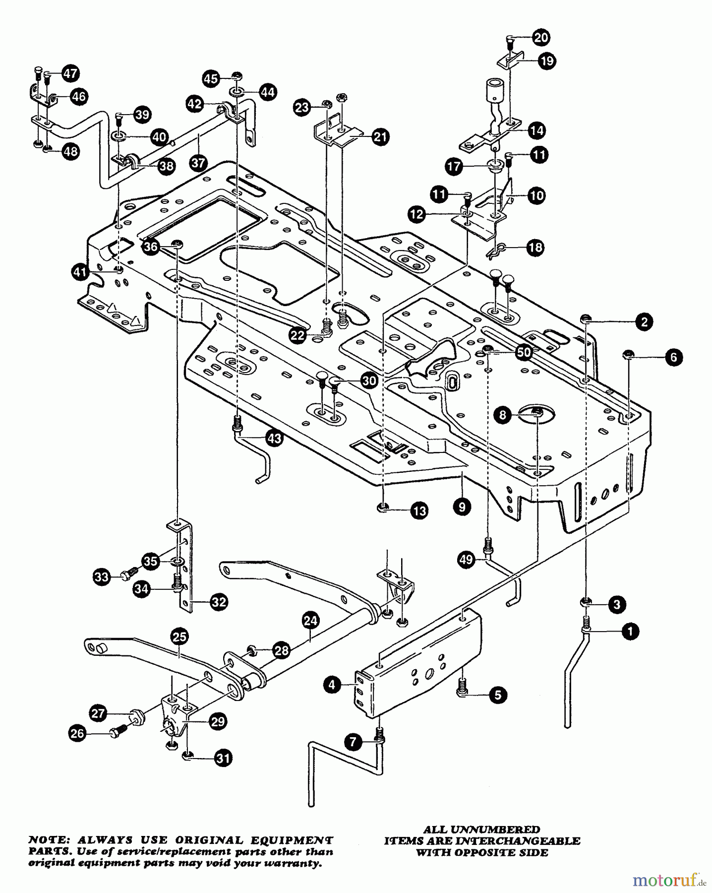
Murray G4318030 - 43" Lawn Tractor (1997) Frame Assembly Pièces détachées
Frame Assembly G4318030 - Murray 43" Lawn Tractor (1997)

Vous trouverez ici le dessin de la pièce de rechange pour Murray Rasen- und Gartentraktoren G4318030 - Murray 43" Lawn Tractor (1997) Frame Assembly. Sélectionnez la pièce de rechange requise dans la liste des pièces de rechange de votre appareil Murray Rasen- und Gartentraktoren G4318030 - Murray 43" Lawn Tractor (1997) Frame Assembly et commandez simplement en ligne. De nombreuses pièces de rechange Murray nous gardons en permanence dans notre entrepôt pour vous.
| Pos. | Numéro d'article | Description | |
| 1 | BS327376 | ||
| 2 | BS124824 | ||
| 3 | BS271190 | ||
| 4 | BS313541 | ||
| 5 | BS56030 | ||
| 6 | BS55273MA | NUT, 5/16-18 WDFLLKLR | |
| 7 | BS300440MA | GUIDE,BELT,RIDER | |
| 8 | BS015X43MA | NUT .31-18 ST OVERLOC | |
| 9 | BS335697-884 | ||
| 10 | BS320075 | ||
| 11 | BS180079 | ||
| 12 | BS120393MA | FLACHSCHEIBE 349X.69 | |
| 13 | BS1498 | ||
| 14 | BS338048 | ||
| 17 | BS50148 | ||
| 18 | BS8260 | ||
| 19 | BS9400 | ||
| 20 | BS782967MA | SCHRAUBE 5/16-18X.88 | |
| 21 | BS300698 | ||
| 22 | BS302628MA | SCHRAUBE, 1/4-20X .75 HH | |
| 23 | BS1502 | ||
| 24 | BS300158 | ||
| 25 | BS300169MA | WP LIFT ASSY, RH | |
| 26 | BS180079 | ||
| 27 | BS58247MA | EINSTELLMUTTER | |
| 28 | BS1498 | ||
| 29 | BS58248 | ||
| 30 | BS57072 | ||
| 31 | BS1498 | ||
| 32 | BS323739 | ||
| 33 | BS50947 | ||
| 34 | BS180079 | ||
| 35 | BS120393 | ||
| 36 | BS1498 | ||
| 37 | BS319111 | ||
| 38 | BS310347 | ||
| 39 | BS180077MA | SCHRAUBE 5/16-18X.75 HHC | |
| 40 | BS583409MA | WASHER, FLAT | |
| 41 | BS1498 | ||
| 42 | BS310347 | ||
| 43 | BS57259MA | RIEMENFUHRUNG 5/16-18T | |
| 44 | BS996416 | ||
| 45 | BS1498 | ||
| 46 | BS310356 | ||
| 47 | BS180020 | ||
| 48 | BS1502 | ||
| 49 | BS304016 | ||
| 50 | BS1498 | ||


Gestion de qualité
Aidez-nous à améliorer cette page. Informez-nous de toute erreur que vous trouverez.

