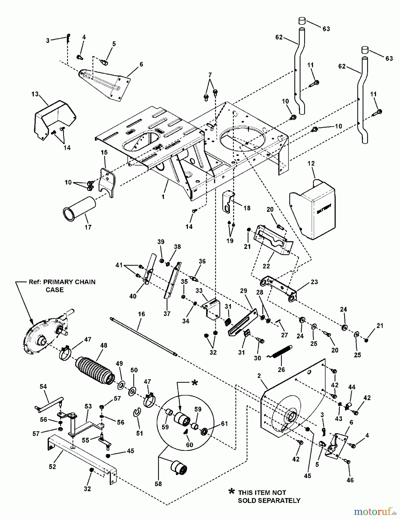
Murray 107.280341 (7800669A) - Craftsman 28" Rear Engine Rider, 12.5HP (2011) (Sears) Main Case, LH Fender & Yoke Lift Group Pièces détachées
Main Case, LH Fender & Yoke Lift Group 107.280341 (7800669A) - Craftsman 28" Rear Engine Rider, 12.5HP (2011) (Sears)

Vous trouverez ici le dessin de la pièce de rechange pour Murray Reitermäher 107.280341 (7800669A) - Craftsman 28" Rear Engine Rider, 12.5HP (2011) (Sears) Main Case, LH Fender & Yoke Lift Group. Sélectionnez la pièce de rechange requise dans la liste des pièces de rechange de votre appareil Murray Reitermäher 107.280341 (7800669A) - Craftsman 28" Rear Engine Rider, 12.5HP (2011) (Sears) Main Case, LH Fender & Yoke Lift Group et commandez simplement en ligne. De nombreuses pièces de rechange Murray nous gardons en permanence dans notre entrepôt pour vous.




